МАХОВИК УПРАВЛЕНИЯ ПОЛНОТЕЛЫЙ С ГНЕЗДОМ ДЛЯ ИНДИКАТОРА И ПОВОРОТНОЙ РУКОЯТКОЙ M129
K906
Volantini di manovra con sede per indicatore gravitazionale
Материалы:
Усиленный и стабилизированный полиамид.
Устойчивость к маслам и жирам.
Поверхность:
Сатинирован.
Цвет:
Черный (RAL 9011).
Вставка:
Втулка с гладким сквозным отверстием из оцинкованной стали (допуск отверстия H10).
Боковая вставка:
Латунная втулка со сквозным резьбовым отверстием.
Боковая рукоятка:
Поворотная рукоятка арт. M129.
Устанавливаемый индикатор:
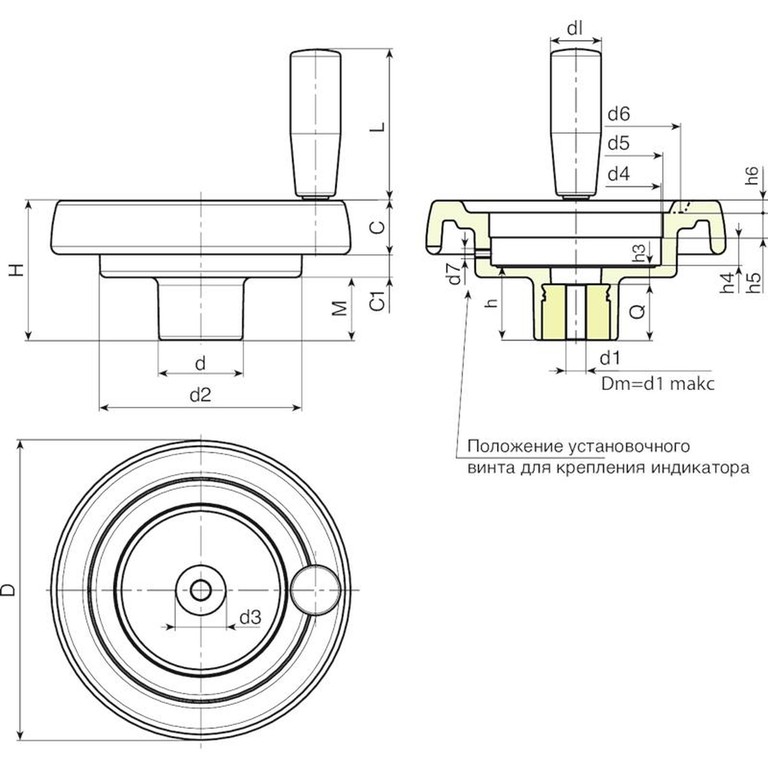
Встраиваются гравитационные индикаторы серии K650 или K660. Индикатор используется только в вертикальном положении (горизонтальная ось машины). Индикатор и соответствующий установочный винт d7 приобретаются отдельно. Более подробная информация приведена на страницах артикулов K650 и K660.
(*) С помощью адаптера KS08050.T01 можно установить индикатор K650050.
Крепление:
Информацию о любых системах крепления, выполнении шпоночных пазов и/или квадратных отверстий см. технических примечаниях, прилагаемых к каталогу.
Специальные Запросы:
По запросу при минимальном заказе 50 штук вставки могут поставляться с отверстием d1 с допуском H7 и вороненой отделкой.
По запросу, при наличии объемов, вставки могут изготавливаться с отверстием d1 согласно чертежа.
По запросу, при наличии объемов, вставки могут изготавливаться из другого материала/с другим покрытием.
Индикатор заказывается отдельно
По запросу, при наличии объемов, гнездо индикатора может быть изменено.
Соответствие диаметров/индикаторов
d5=50 --> K650050
d5=80 --> K650080 или K660080







Код | арт. | D | H | d | d2 | M | C | C1 | d3 | d4 | d5 | d6 | d7 | h | h3 | h4 | h5 | h6 | dl | L | Dm | d1 | Q | Вес (г) |
---|---|---|---|---|---|---|---|---|---|---|---|---|---|---|---|---|---|---|---|---|---|---|---|---|
K906087.0002 | K906087.T050P6.801P | 86 | 53 | 32 | 62 | 21 | 17 | 15 | 20 | 50.8 | 50 | 63 | M6 | 26.5 | 6.5 | 11.5 | 12 | 3 | 20 | 52 | 12 | 5.8 | 20 | 197 |
K906100.0002 | K906100.T050P6.801P | 99 | 55.5 | 32 | 63 | 23.5 | 20.5 | 11.5 | 20 | 50.8 | 50 | 68 | M6 | 29 | 9 | 11.5 | 12 | 3.5 | 20 | 52 | 12 | 6.8 | 20 | 212 |
K906130.0001 | K906130.T080P6.801P | 130 | 65.5 | 42 | 98 | 28.5 | 23,5 | 13,5 | 29 | 85,2 | 80* | 90 | M6 | 34 | 10 | 13.5 | 12.5 | 5 | 23 | 62 | 20 | 6.8 | 24 | 410 |
K906150.0004 | K906150.T080P6.801P | 149 | 69 | 42 | 101 | 31 | 25.5 | 12.5 | 29 | 85.2 | 80* | 106 | M6 | 37 | 9 | 13.5 | 12.5 | 6.5 | 25 | 72 | 20 | 6.8 | 28 | 522 |
K906175.0001 | K906175.T080P6.801P | 174 | 73 | 41 | 114 | 30 | 31,5 | 11.5 | 26 | 85.2 | 80* | 126 | M6 | 39 | 11 | 13,5 | 12,5 | 8 | 25 | 81 | 20 | 6.8 | 28 | 750 |
K906200.0001 | K906200.T080P6.801P | 201 | 71 | 46 | 136 | 24,5 | 32 | 14,5 | 30 | 85,2 | 80* | 145 | M6 | 35 | 12 | 13.6 | 12.5 | 10 | 25 | 81 | 22 | 6.8 | 23 | 910 |