11

K903

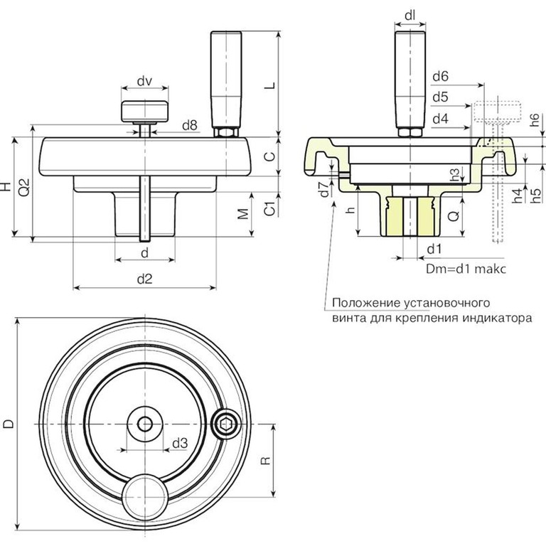
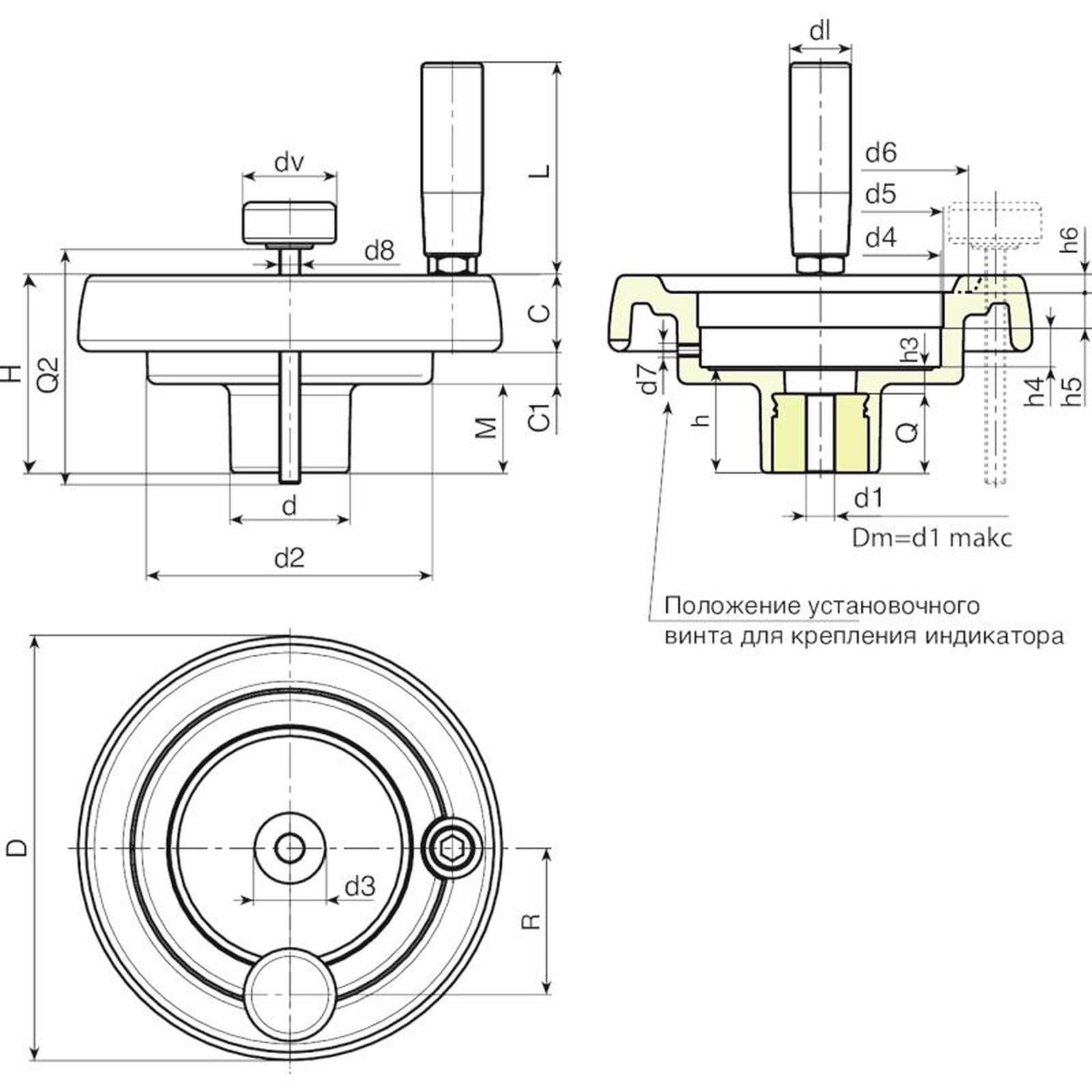
МАХОВИК УПРАВЛЕНИЯ ПОЛНОТЕЛЫЙ С ГНЕЗДОМ ДЛЯ ИНДИКАТОРА, С ПОВОРОТНОЙ РУКОЯТКОЙ И ФИКСИРУЮЩЕЙ РУЧКОЙ

Маховики управления с гнездом для гравитационного индикатора

Материалы:

Усиленный и стабилизированный полиамид.

Устойчивость к маслам и жирам.

Поверхность:

Сатинирован.

Цвет:

Черный(RAL 9011).

Вставка:

Втулка с гладким сквозным отверстием из оцинкованной стали (допуск отверстия H10).

Устанавливаемый индикатор:

Встраиваются гравитационные индикаторы серии K650 или K660. Индикатор используется только в вертикальном положении (горизонтальная ось машины). Индикатор и соответствующий установочный винт d7 приобретаются отдельно. Более подробная информация приведена на страницах артикулов K650 и K660.

(*) С помощью адаптера KS08050.T01 можно установить индикатор K650050.

Боковая вставка:

Латунная втулка со сквозным резьбовым отверстием.

Боковая рукоятка:

Поворотная рукоятка арт. M144.

Маховик крепления:

Цилиндрический маховик G793-36 с резьбовым болтом.

Крепление:

Информацию о любых системах крепления, выполнении шпоночных пазов и/или квадратных отверстий см. технических примечаниях, прилагаемых к каталогу.

Специальные Запросы:

По запросу при минимальном заказе 50 штук вставки могут поставляться с отверстием d1 с допуском H7 и вороненой отделкой.

По запросу, при наличии объемов, вставки могут изготавливаться с отверстием d1 согласно чертежа.

По запросу, при наличии объемов, вставки могут изготавливаться из другого материала/с другим покрытием.

Индикатор заказывается отдельно

По запросу, при наличии объемов, гнездо индикатора может быть изменено.

Соответствие диаметров/индикаторов

d5=50 --> K650050

d5=80 --> K650080 или K660080

Код арт. D H d d2 M C C1 d3 d4 d5 d6 d7 h h3 h4 h5 h6 R d8 dl L Dm d1 Q Вес (г)
K903130.0002K903130.T080P6.801P13065.5429887.523,513,52985.280*90M6341013.512.5554M82265206.824426
K903150.0001K903150.T080P6.801P14969421013125.512.52985.280*106M637913.512.56.557M82376206.828555
K903175.0001K903175.T080P6.801P17473411143031.511.52685.280*126M6391113.512.5860M82586206.828782
K903200.0001K903200.T080P6.801P201714613624.53214.53085.280*145M6351213.612.51071M82586226.823950
Внимание: При минимальном заказе 50 штук диаметр d1 может изготавливаться под заказ (допуск оцинкованного отверстия – H10, вороненого – H7).
Dm = Восстановительный максимальный диаметр, который можно получить (расширение).
Q2 = По запросу.
dv = 36 mm. (K903130 dv=32 mm.)

Альтернативные изделия