11

K908

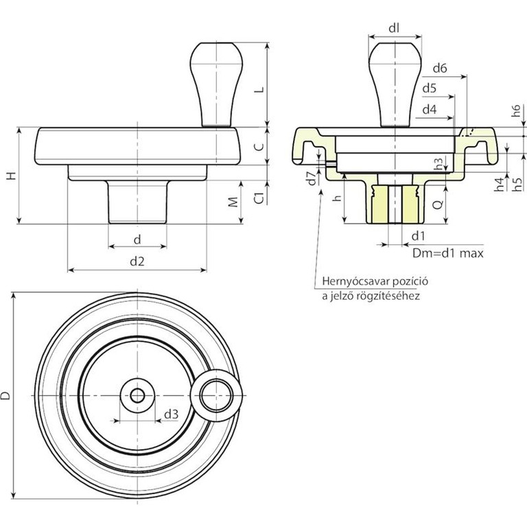
TÖMÖR SZABÁLYOZÓ KÉZIKERÉK JELZŐ FÉSZEKKEL ÉS FORGÓ FOGANTYÚVAL M202

Szabályozó kézikerekek peremmel gravitációs pozíciójelzőhöz

Anyagok:

Erősített és stabilizált kézikerék.

Olajokkal és zsírokkal szemben ellenálló.

Felületkikészítés:

Szatén.

Szín:

Fekete(RAL 9011).

Betét:

Horganyzott acélbetét sima átmenő furattal (H10 tolerancia)

Oldalsó betét:

Sárgaréz betét menetes átmenő furattal.

Oldalsó fogantyú:

Forgó fogantyú, cikksz M202.

Felszerelhető jelző:

A K650 vagy K660 típusú gravitációs pozíciójelzőket használja. A jelző csak függőleges helyzetben használható (vízszintes géptengely). A jelzőt és a megfelelő d7 hernyócsavart külön kell megvásárolni. A jelzőre vonatkozó további információk a K650 és K660 termékek oldalain találhatók.

(*) A KS08050.T01 adapterrel a K650050 jelző szerelhető fel.

Rögzítési módszer:

Rögzítőrendszerekre vagy hornyok vagy szögletes furatok kidolgozására vonatkozóan lásd a katalógushoz csatolt műszaki megjegyzéseket.

Speciális kérések:

Kérésre és legalább 50 darab esetében a betétek d1 furattal, H7 toleranciával és fekete oxidos felületkezeléssel szállíthatók.

Kérésre és speciális mennyiségek esetében a betétek egyedi d1 furatátmérővel szállíthatók.

Kérésre és speciális mennyiségek esetében a betétek különböző anyagokban/különböző bevonatokkal szállíthatók.

A jelzőt külön kell megrendelni.

Kérésre és speciális mennyiségek esetében módosítani lehet a jelző fészkét.

Átmérő/jelző kombinációk:

d5=50 --> K650050

d5=80 --> K650080 vagy K660080

Kód art. D H d d2 M C C1 d3 d4 d5 d6 d7 h h3 h4 h5 h6 dl L Dm d1 Q Tömeg (g)
K908150.0001K908150.T080P6.801P14969421013125.512.52985,280*106M637913.512.56.54064206.828525
K908175.0001K908175.T080P6.801P17473411143031,511.52685.280*126M6391113,512,584064206.828745
K908200.0001K908200.T080P6.801P201714613624,53214,53085,280*145M6351213.612.5104064226.823905
Figyelem: Legalább 50 darab esetében a d1 átmérő egyedi lehet (H10 horganyzott és H7 fekete oxiddal kezelt furattolerancia).
Dm = Maximális elérhető átmérő következő megmunkálásnál (szélesítés).

Alternatív termékek