11

K904

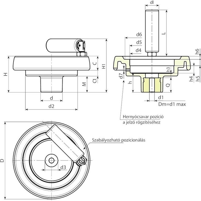
TÖMÖR SZABÁLYOZÓ KÉZIKERÉK JELZŐ FÉSZEKKEL ÉS FORGÓ, ÖSSZECSUKHATÓ FOGANTYÚVAL

Szabályozó kézikerekek peremmel gravitációs pozíciójelzőhöz

Anyagok:

Erősített és stabilizált kézikerék.

Olajokkal és zsírokkal szemben ellenálló.

Felületkikészítés:

Szatén.

Szín:

Fekete(RAL 9011).

Betét:

Horganyzott acélbetét sima átmenő furattal (H10 tolerancia)

Oldalsó betét:

Sárgaréz betét menetes átmenő furattal.

Oldalsó fogantyú:

Forgó fogantyú, cikksz M136.

Felszerelhető jelző:

A K650 vagy K660 típusú gravitációs pozíciójelzőket használja. A jelző csak függőleges helyzetben használható (vízszintes géptengely). A jelzőt és a megfelelő d7 hernyócsavart külön kell megvásárolni. A jelzőre vonatkozó további információk a K650 és K660 termékek oldalain találhatók.

(*) A KS08050.T01 adapterrel a K650050 jelző szerelhető fel.

Rögzítési módszer:

Rögzítőrendszerekre vagy hornyok vagy szögletes furatok kidolgozására vonatkozóan lásd a katalógushoz csatolt műszaki megjegyzéseket.

Speciális kérések:

Kérésre és legalább 50 darab esetében a betétek d1 furattal, H7 toleranciával és fekete oxidos felületkezeléssel szállíthatók.

Kérésre és speciális mennyiségek esetében a betétek egyedi d1 furatátmérővel szállíthatók.

Kérésre és speciális mennyiségek esetében a betétek különböző anyagokban/különböző bevonatokkal szállíthatók.

A jelzőt külön kell megrendelni.

Kérésre és speciális mennyiségek esetében módosítani lehet a jelző fészkét.

Átmérő/jelző kombinációk:

d5=50 --> K650050

d5=80 --> K650080 vagy K660080

Kód art. D H H1 d d2 M C C1 d3 d4 d5 d6 d7 h h3 h4 h5 h6 dl L Dm d1 Q Tömeg (g)
K904087.0001K904087.T050P5.801P86537732622117152050,85063M626,56,511,51232056125,820195
K904100.0001K904100.T050P6.801P9955,580326323,520,511,52050,85068M629911,5123,52056126,820210
K904130.0005K904130.T080P6.801P13065,594429828,523,513,52985,280*90M6341013,512,552576206,824420
K904150.0002K904150.T080P6.801P14969104421013125,512,52985,280*106M637913,512,56,52689206,828580
K904175.0001K904175.T080P6.801P17473107411143031,511,52685,280*126M6391113,512,582689206,828800
K904200.0002K904200.T080P6.801P201711064613624,53214,53085,280*145M6351213,612,5102697226,823970
Figyelem: Legalább 50 darab esetében a d1 átmérő egyedi lehet (H10 horganyzott és H7 fekete oxiddal kezelt furattolerancia).
Dm = Maximális elérhető átmérő következő megmunkálásnál (szélesítés).

Alternatív termékek