TÖMÖR SZABÁLYOZÓ KÉZIKERÉK JELZŐ FÉSZEKKEL ÉS FORGÓ FOGANTYÚVAL M202
K908
Volantini di manovra con sede per indicatore gravitazionale
Anyagok:
Erősített és stabilizált kézikerék.
Olajokkal és zsírokkal szemben ellenálló.
Felületkikészítés:
Szatén.
Szín:
Fekete (RAL 9011).
Betét:
Horganyzott acélbetét sima átmenő furattal (H10 tolerancia)
Oldalsó betét:
Sárgaréz betét menetes átmenő furattal.
Oldalsó fogantyú:
Forgó fogantyú, cikksz M202.
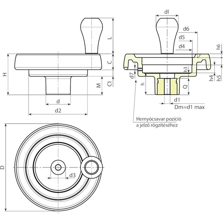
Felszerelhető jelző:
A K650 vagy K660 típusú gravitációs pozíciójelzőket használja. A jelző csak függőleges helyzetben használható (vízszintes géptengely). A jelzőt és a megfelelő d7 hernyócsavart külön kell megvásárolni. A jelzőre vonatkozó további információk a K650 és K660 termékek oldalain találhatók.
(*) A KS08050.T01 adapterrel a K650050 jelző szerelhető fel.
Rögzítési módszer:
Rögzítőrendszerekre vagy hornyok vagy szögletes furatok kidolgozására vonatkozóan lásd a katalógushoz csatolt műszaki megjegyzéseket.
Speciális kérések:
Kérésre és legalább 50 darab esetében a betétek d1 furattal, H7 toleranciával és fekete oxidos felületkezeléssel szállíthatók.
Kérésre és speciális mennyiségek esetében a betétek egyedi d1 furatátmérővel szállíthatók.
Kérésre és speciális mennyiségek esetében a betétek különböző anyagokban/különböző bevonatokkal szállíthatók.
A jelzőt külön kell megrendelni.
Kérésre és speciális mennyiségek esetében módosítani lehet a jelző fészkét.
Átmérő/jelző kombinációk:
d5=50 --> K650050
d5=80 --> K650080 vagy K660080







Kód | art. | D | H | d | d2 | M | C | C1 | d3 | d4 | d5 | d6 | d7 | h | h3 | h4 | h5 | h6 | dl | L | Dm | d1 | Q | Tömeg (g) |
---|---|---|---|---|---|---|---|---|---|---|---|---|---|---|---|---|---|---|---|---|---|---|---|---|
K908150.0001 | K908150.T080P6.801P | 149 | 69 | 42 | 101 | 31 | 25.5 | 12.5 | 29 | 85,2 | 80* | 106 | M6 | 37 | 9 | 13.5 | 12.5 | 6.5 | 40 | 64 | 20 | 6.8 | 28 | 525 |
K908175.0001 | K908175.T080P6.801P | 174 | 73 | 41 | 114 | 30 | 31,5 | 11.5 | 26 | 85.2 | 80* | 126 | M6 | 39 | 11 | 13,5 | 12,5 | 8 | 40 | 64 | 20 | 6.8 | 28 | 745 |
K908200.0001 | K908200.T080P6.801P | 201 | 71 | 46 | 136 | 24,5 | 32 | 14,5 | 30 | 85,2 | 80* | 145 | M6 | 35 | 12 | 13.6 | 12.5 | 10 | 40 | 64 | 22 | 6.8 | 23 | 905 |