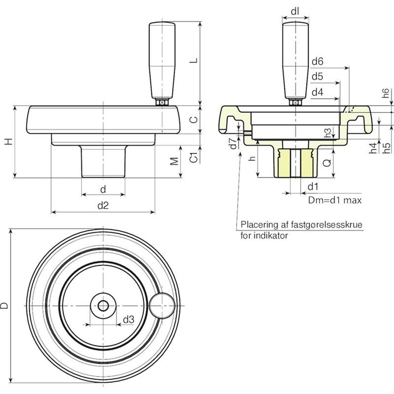
MASSIVT STYREHÅNDHJUL MED INDIKATORSÆDE OG DREJELIGT HÅNDTAG M145
K907
Volantini di manovra con sede per indicatore gravitazionale
Materialer:
Forstærket og stabiliseret polyamid.
Olie- og fedtbestandig.
Overflade:
Satineret.
Farve:
Sort (RAL 9011).
Indsats:
Bøsning med gennemgående glat hul af forzinket stål (hultolerance H10).
Sideindsats:
Bøsning af messing med gennemgående gevindskåret hul.
Sidehåndtag:
Drejeligt håndtag art. M145.
Monterbar indikator:
Brug tyngdekraftsindikatorer model serie K650 eller K660. Indikatoren kan kun anvendes i den lodrette position (vandret maskinakse). Indikatoren og den tilsvarende fæstestift d7 skal erhverves separat. Indhent yderligere oplysninger om indikatorerne på siderne vedrørende artikel K650 og K660.
(*) Med adapteren KS08050.T01 kan man montere indikatoren K650050.
Fastspænding:
Indhent eventuelt oplysninger om fæstesystemer, udformning af kilenoter og/eller firkantede åbninger i katalogets medfølgende tekniske specifikationer.
Andre muligheder:
På forespørgsel og en bestilling af mindst 50 stk. kan indsatsene leveres med en d1-åbning med H7 tolerance og poleret finish.
På forespørgsel og i funktion af antal kan indsatsene leveres med en d1-åbning efter tegning.
På forespørgsel og i funktion af antal kan indsatsene leveres i andre materialer/med anden beklædning.
Indikator, der skal bestilles separat.
På forespørgsel og i funktion af antal kan indikatorens sæde ændres.
Overensstemmelse mellem diameter/indikator:
d5=50 --> K650050
d5=80 --> K650080 o K660080







Kode | art. | D | H | d | d2 | M | C | C1 | d3 | d4 | d5 | d6 | d7 | h | h3 | h4 | h5 | h6 | dl | L | Dm | d1 | Q | Weight (g) |
---|---|---|---|---|---|---|---|---|---|---|---|---|---|---|---|---|---|---|---|---|---|---|---|---|
K907087.0001 | K907087.T050P5.801P | 86 | 53 | 32 | 62 | 21 | 17 | 15 | 20 | 50.8 | 50 | 63 | M6 | 26.5 | 6.5 | 11.5 | 12 | 3 | 20 | 55 | 12 | 5.8 | 20 | 187 |
K907100.0002 | K907100.T050P6.801P | 99 | 55.5 | 32 | 63 | 23.5 | 20.5 | 11.5 | 20 | 50.8 | 50 | 68 | M6 | 29 | 9 | 11.5 | 12 | 3.5 | 20 | 55 | 12 | 6.8 | 20 | 205 |
K907130.0001 | K907130.T080P6.801P | 130 | 65.5 | 42 | 98 | 28.5 | 23,5 | 13,5 | 29 | 85,2 | 80* | 90 | M6 | 34 | 10 | 13.5 | 12.5 | 5 | 23 | 66 | 20 | 6.8 | 24 | 424 |
K907150.0001 | K907150.T080P6.801P | 149 | 69 | 42 | 101 | 31 | 25.5 | 12.5 | 29 | 85,2 | 80* | 106 | M6 | 37 | 9 | 13.5 | 12.5 | 6.5 | 25 | 76 | 20 | 6.8 | 28 | 516 |
K907175.0001 | K907175.T080P6.801P | 174 | 73 | 41 | 114 | 30 | 31,5 | 11.5 | 26 | 85,2 | 80* | 126 | M6 | 39 | 11 | 13,5 | 12,5 | 8 | 25 | 87 | 20 | 6.8 | 28 | 745 |
K907200.0001 | K907200.T080P6.801P | 201 | 71 | 46 | 136 | 24,5 | 32 | 14,5 | 30 | 85,2 | 80* | 145 | M6 | 35 | 12 | 13.6 | 12.5 | 10 | 27 | 87 | 22 | 6.8 | 23 | 900 |