11

K900

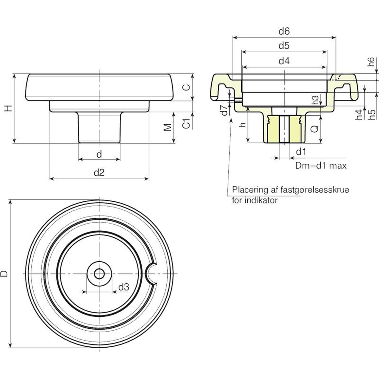
MASSIVT STYREHÅNDHJUL MED INDIKATORSÆDE

Styrehåndhjul med sæde til tyngdekraftindikator

Materialer:

Forstærket og stabiliseret polyamid.

Olie- og fedtbestandig.

Overflade:

Satineret.

Farve:

Sort(RAL 9011).

Indsats:

Bøsning med gennemgående glat hul af forzinket stål (hultolerance H10).

Monterbar indikator:

Brug tyngdekraftsindikatorer model serie K650 eller K660. Indikatoren kan kun anvendes i den lodrette position (vandret maskinakse). Indikatoren og den tilsvarende fæstestift d7 skal erhverves separat. Indhent yderligere oplysninger om indikatorerne på siderne vedrørende artikel K650 og K660.

Olie- og fedtbestandig.

(*) Med adapteren KS08050.T01 kan man montere indikatoren K650050.

Fastspænding:

Indhent eventuelt oplysninger om fæstesystemer, udformning af kilenoter og/eller firkantede åbninger i katalogets medfølgende tekniske specifikationer.

Andre muligheder:

På forespørgsel og en bestilling af mindst 50 stk. kan indsatsene leveres med en d1-åbning med H7 tolerance og poleret finish.

På forespørgsel og i funktion af antal kan indsatsene leveres med en d1-åbning efter tegning.

På forespørgsel og i funktion af antal kan indsatsene leveres i andre materialer/med anden beklædning.

Indikator, der skal bestilles separat.

På forespørgsel og i funktion af antal kan indikatorens sæde ændres.

Overensstemmelse mellem diameter/indikator:

d5=50 --> K650050

d5=80 --> K650080 o K660080

Kode art. D H d d2 M C C1 d3 d4 d5 d6 d7 h h3 h4 h5 h6 Dm d1 Q Vægt (g)
K900087.0004K900087.T050P5.801P865332622117152050.85063M626.56.511.5123125.820155
K900100.0003K900100.T050P6.801P9955.5326323.520.511.52050.85068M629911.5123.5126.820170
K900130.0005K900130.T080P6.801P13065.5429828.523,513,52985.280*90M6341013.512.55206.824350
K900150.0002K900150.T080P6.801P14969421013125.512.52985.280*106M637913.512.56.5206.828430
K900175.0002K900175.T080P6.801P17473411143031.511.52685.280*126M6391113.512.58206.828650
K900200.0001K900200.T080P6.801P201714613624.53214.53085.280*145M6351213.513.610226,823810
OBS: Ved bestilling af mindst 50 stk. kan størrelsen på d1 fremstilles med en påkrævet diameter (hultolerance forzinket H10 og poleret H7).
Dm = Maksimal diameter, der kan opnås som efterfølgende bearbejdning (udvidelse).