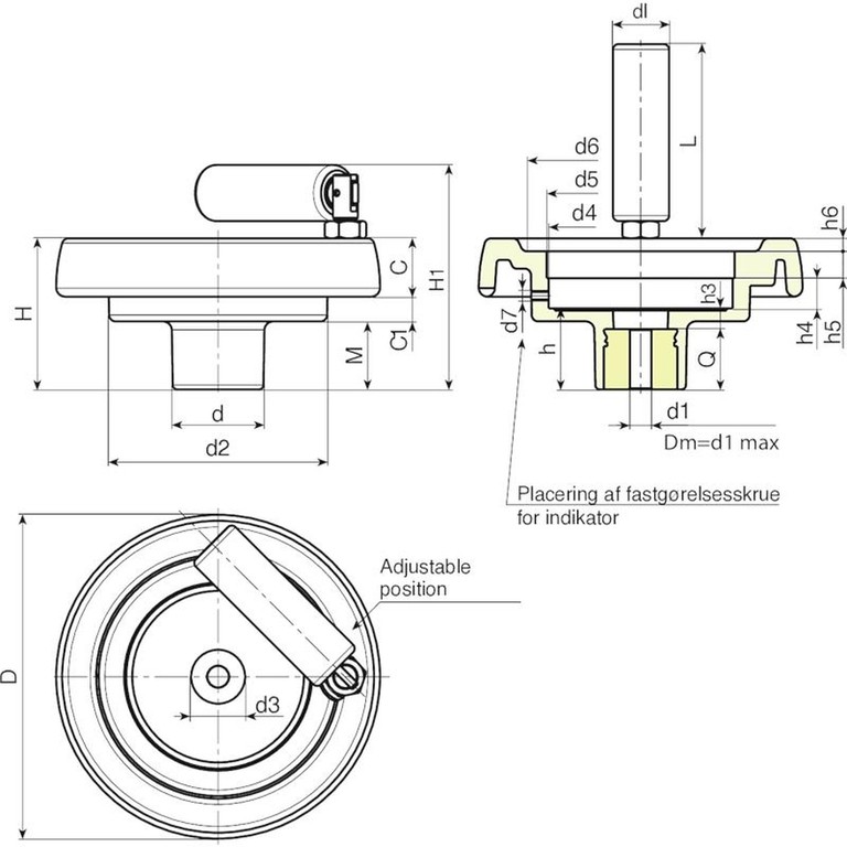
MASSIVT STYREHÅNDHJUL MED INDIKATORSÆDE OG DREJELIGT OG FOLDELIGT HÅNDTAG
K904
Volantini di manovra con sede per indicatore gravitazionale
Materialer:
Forstærket og stabiliseret polyamid.
Olie- og fedtbestandig.
Overflade:
Satineret.
Farve:
Sort (RAL 9011).
Indsats:
Bøsning med gennemgående glat hul af forzinket stål (hultolerance H10).
Sideindsats:
Bøsning af messing med gennemgående gevindskåret hul.
Sidehåndtag:
Drejeligt håndtag art. M136.
Monterbar indikator:
Brug tyngdekraftsindikatorer model serie K650 eller K660. Indikatoren kan kun anvendes i den lodrette position (vandret maskinakse). Indikatoren og den tilsvarende fæstestift d7 skal erhverves separat. Indhent yderligere oplysninger om indikatorerne på siderne vedrørende artikel K650 og K660.
(*) Med adapteren KS08050.T01 kan man montere indikatoren K650050.
Fastspænding:
Indhent eventuelt oplysninger om fæstesystemer, udformning af kilenoter og/eller firkantede åbninger i katalogets medfølgende tekniske specifikationer.
Andre muligheder:
På forespørgsel og en bestilling af mindst 50 stk. kan indsatsene leveres med en d1-åbning med H7 tolerance og poleret finish.
På forespørgsel og i funktion af antal kan indsatsene leveres med en d1-åbning efter tegning.
På forespørgsel og i funktion af antal kan indsatsene leveres i andre materialer/med anden beklædning.
Indikator, der skal bestilles separat.
På forespørgsel og i funktion af antal kan indikatorens sæde ændres.
Overensstemmelse mellem diameter/indikator:
d5=50 --> K650050
d5=80 --> K650080 o K660080







Kode | art. | D | H | H1 | d | d2 | M | C | C1 | d3 | d4 | d5 | d6 | d7 | h | h3 | h4 | h5 | h6 | dl | L | Dm | d1 | Q | Weight (g) |
---|---|---|---|---|---|---|---|---|---|---|---|---|---|---|---|---|---|---|---|---|---|---|---|---|---|
K904087.0001 | K904087.T050P5.801P | 86 | 53 | 77 | 32 | 62 | 21 | 17 | 15 | 20 | 50,8 | 50 | 63 | M6 | 26,5 | 6,5 | 11,5 | 12 | 3 | 20 | 56 | 12 | 5,8 | 20 | 195 |
K904100.0001 | K904100.T050P6.801P | 99 | 55,5 | 80 | 32 | 63 | 23,5 | 20,5 | 11,5 | 20 | 50,8 | 50 | 68 | M6 | 29 | 9 | 11,5 | 12 | 3,5 | 20 | 56 | 12 | 6,8 | 20 | 210 |
K904130.0005 | K904130.T080P6.801P | 130 | 65,5 | 94 | 42 | 98 | 28,5 | 23,5 | 13,5 | 29 | 85,2 | 80* | 90 | M6 | 34 | 10 | 13,5 | 12,5 | 5 | 25 | 76 | 20 | 6,8 | 24 | 420 |
K904150.0002 | K904150.T080P6.801P | 149 | 69 | 104 | 42 | 101 | 31 | 25,5 | 12,5 | 29 | 85,2 | 80* | 106 | M6 | 37 | 9 | 13,5 | 12,5 | 6,5 | 26 | 89 | 20 | 6,8 | 28 | 580 |
K904175.0001 | K904175.T080P6.801P | 174 | 73 | 107 | 41 | 114 | 30 | 31,5 | 11,5 | 26 | 85,2 | 80* | 126 | M6 | 39 | 11 | 13,5 | 12,5 | 8 | 26 | 89 | 20 | 6,8 | 28 | 800 |
K904200.0002 | K904200.T080P6.801P | 201 | 71 | 106 | 46 | 136 | 24,5 | 32 | 14,5 | 30 | 85,2 | 80* | 145 | M6 | 35 | 12 | 13,6 | 12,5 | 10 | 26 | 97 | 22 | 6,8 | 23 | 970 |