РУЧКА УПРАВЛЕНИЯ РИФЛЕНАЯ С ВТУЛКОЙ С РЕЗЬБОВЫМ ОТВЕРСТИЕМ
14
N248
Manicotti zigrinati
Материалы:
Усиленный полиамид.
Устойчивость к маслам и жирам.
Поверхность:
Сатинирован.
Цвет:
Черный (RAL 9011).
Пробка:
Центральная пробка из серого полиамида (RAL 7035).
Вставки:
Втулка со сквозным резьбовым отверстием из оцинкованной стали (допуск резьбы 6H).
Примечания:
(*) Боковое крепление фланца NFLAN (по запросу).
Специальные запросы:
По запросу, при наличии объемов, вставки могут изготавливаться с отверстием d1 согласно чертежа.
По запросу, при наличии объемов, вставки могут изготавливаться из другого материала/с другим покрытием.
По запросу, при наличии объемов, изделия могут изготавливаться другого цвета (внимание: ограниченная гамма цветов), согласно таблице цветов на.







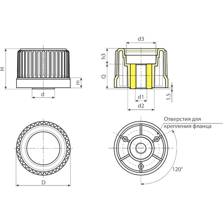
Код | Арт. | D | H | m | d | d2 | d3 | h3 | d1 6H | Q | Вес (г) |
---|---|---|---|---|---|---|---|---|---|---|---|
N24830.0001 | N24830.TM0801 (*) | 30 | 31,5 | 11,5 | 20 | 20 | 18 | 5,5 | M8 | 26 | 79 |
N24843.0002 | N24843.TM1001 | 43 | 37,5 | 11,5 | 22 | 27,5 | 23 | 13,5 | M10 | 24 | 85 |
N24854.0002 | N24854.TM1201 | 54 | 43,5 | 12 | 26 | 32 | 31 | 13,5 | M12 | 30 | 155 |
N24865.0001 | N24865.TM1201 | 65 | 48,5 | 12 | 27 | 32 | 36 | 18,5 | M12 | 30 | 180 |
N24878.0001 | N24878.TM1401 | 78 | 55,5 | 12,5 | 31 | 36 | 50 | 23,5 | M14 | 32 | 270 |
Выполненные резьбовые отверстия: N248-30: M08-M10-M12
Выполненные резьбовые отверстия: N248-43: M08-M10-M12
Выполненные резьбовые отверстия: N248-54: M08-M10-M12
Выполненные резьбовые отверстия: N248-65: M10-M12-M14
Выполненные резьбовые отверстия: N248-78: M12-M14-M16
Внимание: с минимальным количеством 100 штук диаметр d1 может быть изготовлен с размерами по запросу.