BOTÃO DE CONTROLO SERRILHADO COM CASQUILHO DE FURO LISO
N246
Manicotti zigrinati
Description
Manicotto dalla amplia zigrinatura adatto ad essere impugnato a mano piena, per spostare, comandare e regolari assi di macchinari con precisione. La larga zigrinatura permette una ottima impugnabilità sia con guanto che senza. Avvolgendo tutto il palmo della mano se necessita imprimere forza, oppure solo con le dita per spostamenti piccoli e precisi. Predisposto per essere collegato, con tre viti, al suo naturale accessorio come la flangia numerata (NFLAN). Tale flangia può essere nera o grigia e ha diverse gradazioni di numerazione oppure un solo una tacca di riferimento. Progettati per sostiuire quelli più costosi in metallo ed alluminio. Il foro dell’inserto ha un piccolo diametro pilota, ma BOTECO è in grado, anche su piccoli lotti , di personalizzare tale foro e adeguarlo alle esigenze del cliente. A chiusura di tale foro troviamo un comodo tappo asportabile, disponibile di diversi colori e facile da personalizzare mediante tampografia. Prodotto adatto per macchine utensili manuali, trapani, foratrici, macchine per imballaggio, seghe e seghetti, macchine per confezionamento, attrezzature alimentari. Il manicotto zigrinato N246 è fatto con materiali a base di poliammide rinforzata con additivi stabilizzanti, per garantire una ottima planarità e circolarità. Questo modello è una versione base, ma può essere richiesto in diverse varianti come il manicotto con blocco, il manicotto a scatto , manicotto a variazione continua, ecc.).
Materiais:
Poliamida reforçada.
Resistente a óleos e massas lubrificantes.
Superfície:
Acetinada.
Cor:
Preto (RAL 9011).
Tampão:
Tampão central em poliamida cinzenta (RAL 7035).
Inserções:
Casquilho com furo liso passante em aço zincado (tolerância de furo H10).
Notas:
(*) Fixação do flange NFLAN lateral (acessório).
Pedidos especiais:
A pedido e por quantidade, as inserções podem ser fornecidas com o furo d1 a pedido.
A pedido e por quantidade, as inserções podem ser fornecidas em material/revestimento diferente.
A pedido e por quantidade, cores (atenção, gama reduzida) conforme a tabela de cores.
Video:







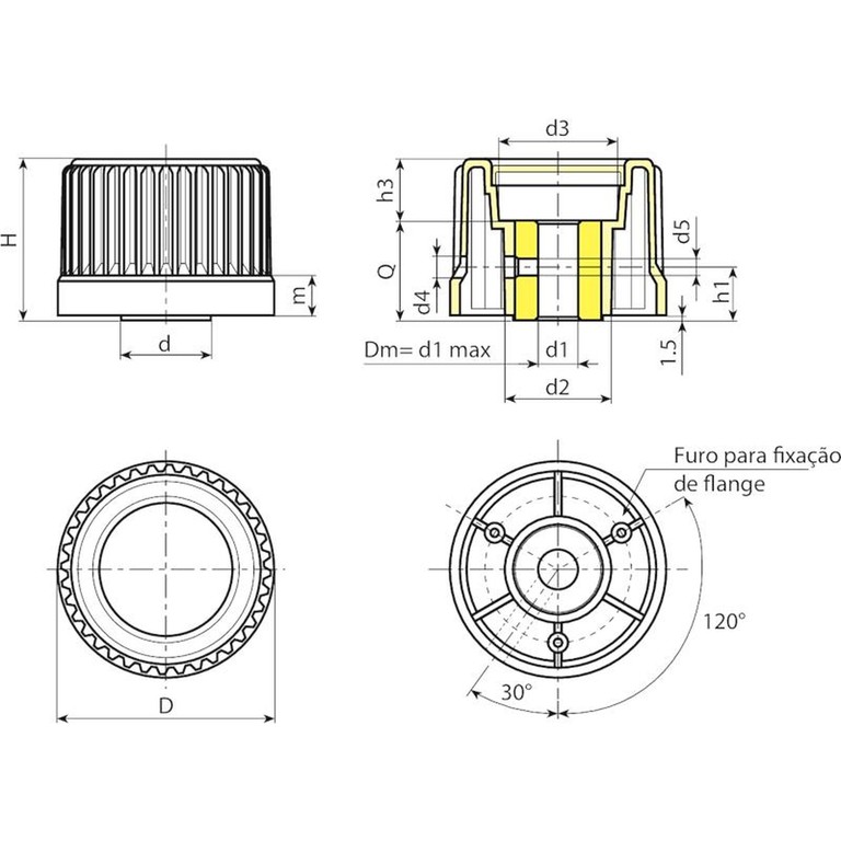
Código | Art. | D | H | m | d | d2 | d3 | d4 | d5 | h1 | h3 | Dm | d1 H10 | Q | Peso (g) |
---|---|---|---|---|---|---|---|---|---|---|---|---|---|---|---|
N24630.0001 | N24630.TD060113(*) | 30 | 31,5 | 11,5 | 20 | - | 18 | 4,5 | M4 | 16 | 5,5 | 12 | 6 | 26 | 74 |
N24630.0005 | N24630.TD080113(*) | 30 | 31,5 | 11,5 | 20 | - | 18 | 5,5 | M5 | 16 | 5,5 | 12 | 8 | 26 | 70 |
N24643.0004 | N24643.TD080113 | 43 | 37,5 | 11,5 | 22 | 27,5 | 23 | 5,5 | M5 | 16 | 13,5 | 12 | 8 | 24 | 89 |
N24654.0001 | N24654.TD080113 | 54 | 43,5 | 12 | 26 | 32 | 31 | 5,5 | M5 | 16 | 13,5 | 14 | 8 | 30 | 180 |
N24654.0005 | N24654.TD120113 | 54 | 43,5 | 12 | 26 | 32 | 31 | 6,5 | M6 | 16 | 13,5 | 14 | 12 | 30 | 140 |
N24665.0001 | N24665.TD080113 | 65 | 48,5 | 12 | 27 | 32 | 36 | 5,5 | M5 | 16 | 18,5 | 16 | 8 | 30 | 180 |
N24665.0007 | N24665.TD120113 | 65 | 48,5 | 12 | 27 | 32 | 36 | 6,5 | M6 | 16 | 18,5 | 16 | 12 | 30 | 165 |
N24665.0009 | N24665.TD140113 | 65 | 48,5 | 12 | 27 | 32 | 36 | 6,5 | M6 | 16 | 18,5 | 16 | 14 | 30 | 156 |
N24678.0002 | N24678.TD080113 | 78 | 55,5 | 12,5 | 31 | 36 | 50 | 6,5 | M6 | 18 | 23,5 | 18 | 8 | 32 | 260 |