Materiais:
Poliamida reforçada e estabilizada.
Resistente a óleos e massas lubrificantes.
Superfície:
Acetinada.
Cor:
Preto(RAL 9011).
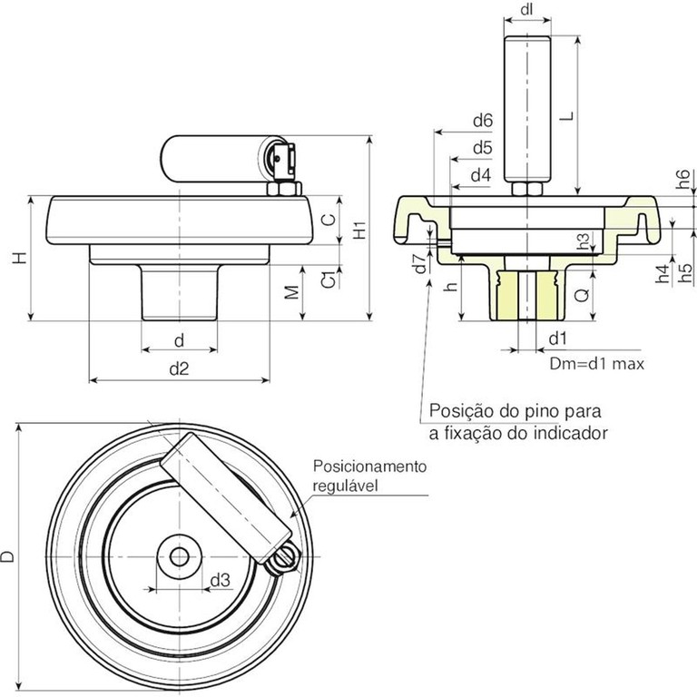
Inserção:
Casquilho com furo liso passante em aço zincado (tolerância de furo H10).
Inserção lateral:
Casquilho com furo roscado passante em latão.
Punho lateral:
Punho rotativo art. M136.
Indicador a montar:
Utilizar indicadores gravitacionais modelos série K650 ou K660. O indicador pode ser usado apenas na posição vertical (eixo máquina horizontal). O indicador e o relativo pino de fixação d7 devem ser adquiridos separadamente. Para mais informações sobre os indicadores, consultar as páginas relativas aos artigos K650 e K660.
(*) Com o adaptador KS08050.T01 é possível montar o indicador K650050.
Fixação:
Para eventuais sistemas de fixação, a realização de linguetas e/ou de furos quadrados, consultar as notas técnicas anexadas ao catálogo.
Pedidos especiais:
A pedido e com no mínimo 50 peças, as inserções podem ser fornecidas com o furo d1 com tolerância H7 e acabamento preto do óxido.
A pedido e por quantidade, as inserções podem ser fornecidas com o furo d1 a pedido.
A pedido e por quantidade, as inserções podem ser fornecidas em material/revestimento diferente.
Indicador a pedir separadamente.
A pedido e por quantidade, o alojamento para indicador pode ser variado.
Correspondências de Diâmetros/Indicadores:
d5=50 --> K650050
d5=80 --> K650080 ou K660080
| Código | art. | D | H | H1 | d | d2 | M | C | C1 | d3 | d4 | d5 | d6 | d7 | h | h3 | h4 | h5 | h6 | dl | L | Dm | d1 | Q | Peso (g) |
|---|---|---|---|---|---|---|---|---|---|---|---|---|---|---|---|---|---|---|---|---|---|---|---|---|---|
| K904087.0001 | K904087.T050P5.801P | 86 | 53 | 77 | 32 | 62 | 21 | 17 | 15 | 20 | 50,8 | 50 | 63 | M6 | 26,5 | 6,5 | 11,5 | 12 | 3 | 20 | 56 | 12 | 5,8 | 20 | 195 |
| K904100.0001 | K904100.T050P6.801P | 99 | 55,5 | 80 | 32 | 63 | 23,5 | 20,5 | 11,5 | 20 | 50,8 | 50 | 68 | M6 | 29 | 9 | 11,5 | 12 | 3,5 | 20 | 56 | 12 | 6,8 | 20 | 210 |
| K904130.0005 | K904130.T080P6.801P | 130 | 65,5 | 94 | 42 | 98 | 28,5 | 23,5 | 13,5 | 29 | 85,2 | 80* | 90 | M6 | 34 | 10 | 13,5 | 12,5 | 5 | 25 | 76 | 20 | 6,8 | 24 | 420 |
| K904150.0002 | K904150.T080P6.801P | 149 | 69 | 104 | 42 | 101 | 31 | 25,5 | 12,5 | 29 | 85,2 | 80* | 106 | M6 | 37 | 9 | 13,5 | 12,5 | 6,5 | 26 | 89 | 20 | 6,8 | 28 | 580 |
| K904175.0001 | K904175.T080P6.801P | 174 | 73 | 107 | 41 | 114 | 30 | 31,5 | 11,5 | 26 | 85,2 | 80* | 126 | M6 | 39 | 11 | 13,5 | 12,5 | 8 | 26 | 89 | 20 | 6,8 | 28 | 800 |
| K904200.0002 | K904200.T080P6.801P | 201 | 71 | 106 | 46 | 136 | 24,5 | 32 | 14,5 | 30 | 85,2 | 80* | 145 | M6 | 35 | 12 | 13,6 | 12,5 | 10 | 26 | 97 | 22 | 6,8 | 23 | 970 |