POKRĘTŁO STERUJĄCE RADEŁKOWANE O REGULACJI CIĄGŁEJ
N280
Manicotti con numerazione
Materiały:
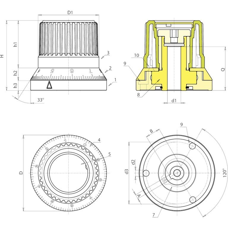
1. Podstawa mocująca ze stali inox (AISI 304) z gniazdem sprzęgła i otworami mocującymi.
2. Kołnierz wskaźnikowy z aluminium (stop 2011).
3. Pokrętło sterujące z poliamidu wzmocnionego. Odporna na oleje i tłuszcze.
5. Zaślepka otworu z PA6.
6. Zaślepka mocująca z gniazdem sześciokątnym ze stali inox (AISI 303).
7. Seeger ustalający ze stali (UNI 3653).
8. Sprzęgło i mechanizm blokujący ze stali inox (AISI 304).
10. Śruby samogwintujące z łbem stożkowym (TCS) do mocowania kołnierza ze stali inox (AISI 303) 2,9x13.
Powierzchnia:
1-6-7-8. Błyszcząca.
2. Anodowana.
3-5. Satynowana.
Kolor:
1. Naturalny z wygrawerowaną strzałką wskazującą.
2. Czarny anodowany.
3. Czarny (RAL 9011).
5. Szary (RAL 7035 kod 13).
7. Czarny oksydowany.
6-8. Naturalny.
Mocowanie do maszyny:
Mocowanie do maszyny za pomocą 3 śrub (pozycja 9 na rysunku) z łbem cylindrycznym z gniazdem sześciokątnym wpuszczonym M05 (DIN 912).
Kołnierz z podziałką:
Standardowa numeracja kołnierza wynosi od 0 do 9 z 10 liniami podziału dla każdej jednostki. (100 linii podziału). Przy minimalnej ilości 30 sztuk istnieje możliwość wykonania numeracji według specyfikacji klienta.
Sprzężenie wału z pokrętłem sterującym:
Sprzężenie wału z pokrętłem sterującym odbywa się za pośrednictwem wałka z gniazdem na zaczep. Uwaga! Zaczep, ze względów technicznych, posiada zredukowane wymiary. W zakresie wymiarów otwór/wał, patrz załączony schemat.
Otwór:
Otwór wału jest wykonany w tolerancji H7. Nie wymaga bocznego otworu mocującego. Średnica otworu jest stała i nie podlega zmianom.
Wykonanie na specjalne zamówienie:
Na życzenie zaślepka środkowa dostępna w kolorach według tabeli barw.
Na życzenie, w zależności od ilości (30 sztuk) numeracja kołnierza może być dostosowana do indywidualnych potrzeb.
Właściwości:
Główną cechą tego produktu jest możliwość ciągłej regulacji osi maszyny, z którą jest sprzężony oraz utrzymanie wybranego położenia. Specjalne sprzęgło, stanowiące serce mechanizmu, pozwala na wykonywanie bardzo małych i ciągłych ruchów, a co za tym idzie zapewnia możliwość precyzyjnej regulacji w obu kierunkach obrotów. Po osiągnięciu żądanego położenia, sprzęgło zapobiega obrotom wywołanym niewielkimi wibracjami lub niewielkimi ruchami wału. Użycie tego systemu zapobiega przypadkowemu lub mimowolnemu obrotowi wału.
Ograniczenia:
W przypadku silnych wibracji sprzęgło nie jest wystarczające do zablokowania jakichkolwiek ruchów. Ponadto pokrętło nie jest w stanie wytrzymać ciężaru wału, więc nie zastępuje zwykłych układów nośnych (łożyska, kołnierze itp.). Pokrętło nie może być łączone w rozwiązaniach wykorzystujących napędy silnikowe.







Kod | Art. | D | H | D1 | h1 | h2 | h3 | d3 | d2 | A | B | d1 H7 | Q | Waga (g) |
---|---|---|---|---|---|---|---|---|---|---|---|---|---|---|
N28054.0001 | N28054.HNZ1000113CIN | 67,5 | 62 | 54 | 42 | 11 | 9 | 55 | 5,5 | 4 | 13,1 | 12 | 39,5 | 535 |