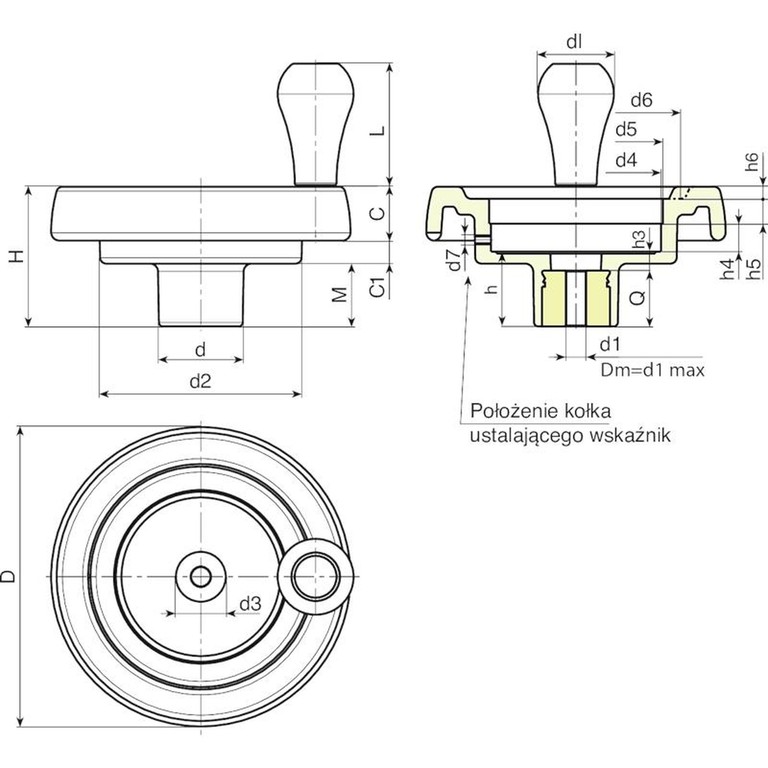
KOŁO RĘCZNE PEŁNE Z GNIAZDEM NA WSKAŹNIK I RĘKOJEŚCIĄ OBROTOWĄ M202
K908
Volantini di manovra con sede per indicatore gravitazionale
Materiały:
Poliamid wzmocniony i stabilizowany.
Odporna na oleje i tłuszcze.
Powierzchnia:
Satynowana.
Kolor:
Czarny (RAL 9011).
Wkładka:
Tuleja z gładkim otworem przelotowym ze stali ocynkowanej (tolerancja otworu H10).
Wkładka boczna:
Tuleja z mosiądzu z gwintowanym otworem przelotowym.
Rękojeść boczna:
Rękojeść obrotowa art. M202.
Wskaźnik do Zamontowania:
Do stosowania ze wskaźnikami grawitacyjnymi, modele z serii K650 lub K660. Wskaźnik może być używany wyłącznie w położeniu pionowym (pozioma oś maszyny). Wskaźnik i odnośny kołek ustalający d7 należy zamawiać osobno. Więcej informacji na temat wskaźników można znaleźć na stronach dotyczących artykułów K650 i K660.
(*) Dla obejmy KS08050.T01 przewidziano wskaźnik K650050.
Mocowanie:
W przypadku dowolnych systemów mocowań w zakresie wykonania zaczepów i/lub kwadratowych otworów, zachęcamy do skonsultowania uwag technicznych, załączonych do katalogu.
Wykonanie na specjalne zamówienie:
Na życzenie, przy minimalnej ilości 50 sztuk, wkładki mogą być dostarczane z otworem d1 w tolerancji H7 i z oksydowanym wykończeniem.
Na życzenie, w zależności od ilości, wkładki mogą być dostarczone z otworem d1 według projektu.
Na życzenie, w zależności od ilości, wkładki mogą być wykonane w innym materiale/powłoce.
Wskaźnik należy zamawiać osobno.
Na życzenie, w zależności od ilości, gniazdo wskaźnika może być zmienione.
Zbieżność Średnic/Wskaźników:
d5=50 --> K650050
d5=80 --> K650080 lub K660080







Kod | art. | D | H | d | d2 | M | C | C1 | d3 | d4 | d5 | d6 | d7 | h | h3 | h4 | h5 | h6 | dl | L | Dm | d1 | Q | Waga (g) |
---|---|---|---|---|---|---|---|---|---|---|---|---|---|---|---|---|---|---|---|---|---|---|---|---|
K908150.0001 | K908150.T080P6.801P | 149 | 69 | 42 | 101 | 31 | 25.5 | 12.5 | 29 | 85,2 | 80* | 106 | M6 | 37 | 9 | 13.5 | 12.5 | 6.5 | 40 | 64 | 20 | 6.8 | 28 | 525 |
K908175.0001 | K908175.T080P6.801P | 174 | 73 | 41 | 114 | 30 | 31,5 | 11.5 | 26 | 85.2 | 80* | 126 | M6 | 39 | 11 | 13,5 | 12,5 | 8 | 40 | 64 | 20 | 6.8 | 28 | 745 |
K908200.0001 | K908200.T080P6.801P | 201 | 71 | 46 | 136 | 24,5 | 32 | 14,5 | 30 | 85,2 | 80* | 145 | M6 | 35 | 12 | 13.6 | 12.5 | 10 | 40 | 64 | 22 | 6.8 | 23 | 905 |