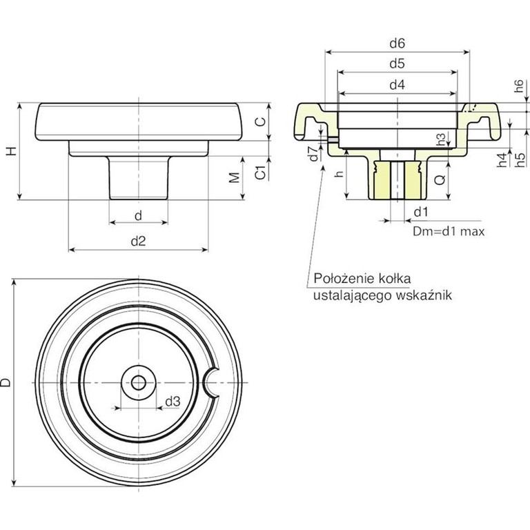
KOŁO RĘCZNE PEŁNE Z GNIAZDEM NA WSKAŹNIK
K900
Volantini di manovra con sede per indicatore gravitazionale
Materiały:
Poliamid wzmocniony i stabilizowany.
Odporna na oleje i tłuszcze.
Powierzchnia:
Satynowana.
Kolor:
Czarny (RAL 9011).
Wkładka:
Tuleja z gładkim otworem przelotowym ze stali ocynkowanej (tolerancja otworu H10).
Wskaźnik do Zamontowania:
Do stosowania ze wskaźnikami grawitacyjnymi, modele z serii K650 lub K660. Wskaźnik może być używany wyłącznie w położeniu pionowym (pozioma oś maszyny). Wskaźnik i odnośny kołek ustalający d7 należy zamawiać osobno. Więcej informacji na temat wskaźników można znaleźć na stronach dotyczących artykułów K650 i K660.
Odporna na oleje i tłuszcze.
(*) Dla obejmy KS08050.T01 przewidziano wskaźnik K650050.
Mocowanie:
W przypadku dowolnych systemów mocowań w zakresie wykonania zaczepów i/lub kwadratowych otworów, zachęcamy do skonsultowania uwag technicznych, załączonych do katalogu.
Wykonanie na specjalne zamówienie:
Na życzenie, przy minimalnej ilości 50 sztuk, wkładki mogą być dostarczane z otworem d1 w tolerancji H7 i z oksydowanym wykończeniem.
Na życzenie, w zależności od ilości, wkładki mogą być dostarczone z otworem d1 według projektu.
Na życzenie, w zależności od ilości, wkładki mogą być wykonane w innym materiale/powłoce.
Wskaźnik należy zamawiać osobno.
Na życzenie, w zależności od ilości, gniazdo wskaźnika może być zmienione.
Zbieżność Średnic/Wskaźników:
d5=50 --> K650050
d5=80 --> K650080 lub K660080







Kod | art. | D | H | d | d2 | M | C | C1 | d3 | d4 | d5 | d6 | d7 | h | h3 | h4 | h5 | h6 | Dm | d1 | Q | Waga (g) |
---|---|---|---|---|---|---|---|---|---|---|---|---|---|---|---|---|---|---|---|---|---|---|
K900087.0004 | K900087.T050P5.801P | 86 | 53 | 32 | 62 | 21 | 17 | 15 | 20 | 50.8 | 50 | 63 | M6 | 26.5 | 6.5 | 11.5 | 12 | 3 | 12 | 5.8 | 20 | 155 |
K900100.0003 | K900100.T050P6.801P | 99 | 55.5 | 32 | 63 | 23.5 | 20.5 | 11.5 | 20 | 50.8 | 50 | 68 | M6 | 29 | 9 | 11.5 | 12 | 3.5 | 12 | 6.8 | 20 | 170 |
K900130.0005 | K900130.T080P6.801P | 130 | 65.5 | 42 | 98 | 28.5 | 23,5 | 13,5 | 29 | 85.2 | 80* | 90 | M6 | 34 | 10 | 13.5 | 12.5 | 5 | 20 | 6.8 | 24 | 350 |
K900150.0002 | K900150.T080P6.801P | 149 | 69 | 42 | 101 | 31 | 25.5 | 12.5 | 29 | 85.2 | 80* | 106 | M6 | 37 | 9 | 13.5 | 12.5 | 6.5 | 20 | 6.8 | 28 | 430 |
K900175.0002 | K900175.T080P6.801P | 174 | 73 | 41 | 114 | 30 | 31.5 | 11.5 | 26 | 85.2 | 80* | 126 | M6 | 39 | 11 | 13.5 | 12.5 | 8 | 20 | 6.8 | 28 | 650 |
K900200.0001 | K900200.T080P6.801P | 201 | 71 | 46 | 136 | 24.5 | 32 | 14.5 | 30 | 85.2 | 80* | 145 | M6 | 35 | 12 | 13.5 | 13.6 | 10 | 22 | 6,8 | 23 | 810 |