KOŁO RĘCZNE Z WYSTĘPAMI ZE WSKAŹNIKIEM
K170
Pomelli con sede per indicatore gravitazionale
Materiały:
Poliamid wzmocniony. Odporna na oleje i tłuszcze.
Powierzchnia:
Satynowana.
Kolor:
Czarny (RAL 9011).
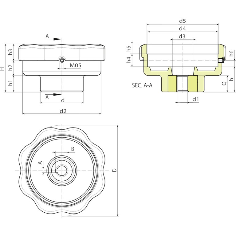
Wskaźnik do Zamontowania:
Wskaźnik grawitacyjny model K650080. Wskaźnik może być używany wyłącznie w położeniu pionowym (pozioma oś maszyny). Wskaźnik należy zakupić osobno. W celu uzyskania dodatkowych informacji patrz artykuł K650.
Wkładka:
Tuleja z gładkim otworem przelotowym ze stali ocynkowanej (tolerancja otworu H10). Obecność zaczepu odpowiedniego do rozmiaru otworu.
Mocowanie wskaźnika:
Zamocować wskaźnik za pomocą kołka gwintowanego M05 (niedostarczanego w zestawie), który należy włożyć w odpowiedni otwór M05.
Wykonanie na specjalne zamówienie:
Na życzenie, przy minimalnej ilości 50 sztuk, wkładki mogą być dostarczane z otworem d1 w tolerancji H7 i z oksydowanym wykończeniem.
Na życzenie, w zależności od ilości, wkładki mogą być dostarczone z otworem d1 według projektu.
Na życzenie i w zależności od ilości, wkładki mogą być wykonane z innego materiału.
Zbieżność Średnic/Wskaźników:
d5=52,4 --> K650050
d5=87,4 --> K650080 lub K660080







Kod | art. | D | H | h | h1 | h2 | h3 | h4 | h5 | h6 | d | d2 | d3 | d4 | d5 | A | B | d1 H10 | Q | Waga (g) |
---|---|---|---|---|---|---|---|---|---|---|---|---|---|---|---|---|---|---|---|---|
K170110.0001 | K170110.T80D1201H | 110 | 58 | 30.5 | 20 | 18 | 20 | 15.5 | 12 | 7.5 | 52 | 95 | 25 | 85.5 | 87,4 | 4 | 13.1 | 12 | 20 | 230 |