Materiaal:
Versterkte en gestabiliseerde polyamide.
Bestand tegen oliën en vetten.
Oppervlak:
Gesatineerd.
Kleur:
Zwart(RAL 9011).
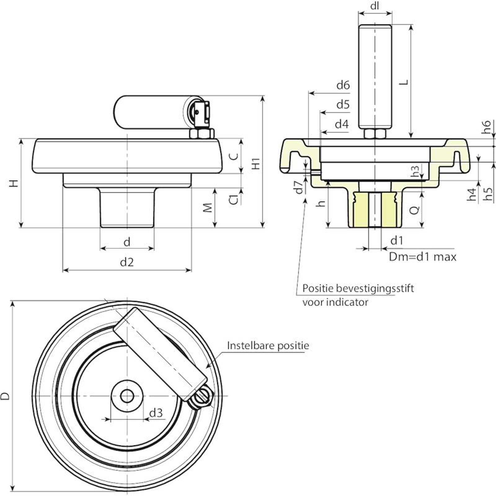
Inzetstuk:
Bus met doorlopende gladde boring in verzinkt staal (tolerantie boring H10).
Laterale inzetstuk:
Messing bus met doorlopende schroefdraadboring.
Laterale greep:
Draaibare greep art. M136.
Monteerbare positie-indicator:
Gebruik de zwaartekracht positie-indicator uit de serie K650 of K660. De positie-indicator kan enkel in de verticale positie worden gebruikt (horizontale machine-as). De indicator en de bijbehorende bevestigingsstift d7 moeten afzonderlijk worden aangekocht. Raadpleeg voor meer informatie over de positie-indicatoren de pagina’s over de artikels K650 en K660.
(*) De positie-indicator K650050 kan worden gemonteerd met de adapter KS08050.T01.
Bevestiging:
Raadpleeg de technische aanwijzingen in bijlage van deze catalogus voor eventuele bevestigingssystemen, de uitvoering van spieën en/of vierkanten boringen.
Speciale verzoeken:
Op aanvraag en vanaf 50 stuks zijn de inzetstukken leverbaar met boring d1 met tolerantie H7 en gebruineerde afwerking.
Op aanvraag en voor grote hoeveelheden kunnen de inzetstukken worden geleverd met een zelf ontworpen boring d1.
Op aanvraag en voor grote hoeveelheden kunnen de inzetstukken worden geleverd in verschillende materialen en afwerkingen.
Indicator afzonderlijk te bestellen.
Op aanvraag en voor grote hoeveelheden kan de zitting van de indicator worden gewijzigd.
Overeenkomst diameter/indicatoren:
d5=50 --> K650050
d5=80 --> K650080 of K660080
| Code | art. | D | H | H1 | d | d2 | M | C | C1 | d3 | d4 | d5 | d6 | d7 | h | h3 | h4 | h5 | h6 | dl | L | Dm | d1 | Q | Gewicht (g) |
|---|---|---|---|---|---|---|---|---|---|---|---|---|---|---|---|---|---|---|---|---|---|---|---|---|---|
| K904087.0001 | K904087.T050P5.801P | 86 | 53 | 77 | 32 | 62 | 21 | 17 | 15 | 20 | 50,8 | 50 | 63 | M6 | 26,5 | 6,5 | 11,5 | 12 | 3 | 20 | 56 | 12 | 5,8 | 20 | 195 |
| K904100.0001 | K904100.T050P6.801P | 99 | 55,5 | 80 | 32 | 63 | 23,5 | 20,5 | 11,5 | 20 | 50,8 | 50 | 68 | M6 | 29 | 9 | 11,5 | 12 | 3,5 | 20 | 56 | 12 | 6,8 | 20 | 210 |
| K904130.0005 | K904130.T080P6.801P | 130 | 65,5 | 94 | 42 | 98 | 28,5 | 23,5 | 13,5 | 29 | 85,2 | 80* | 90 | M6 | 34 | 10 | 13,5 | 12,5 | 5 | 25 | 76 | 20 | 6,8 | 24 | 420 |
| K904150.0002 | K904150.T080P6.801P | 149 | 69 | 104 | 42 | 101 | 31 | 25,5 | 12,5 | 29 | 85,2 | 80* | 106 | M6 | 37 | 9 | 13,5 | 12,5 | 6,5 | 26 | 89 | 20 | 6,8 | 28 | 580 |
| K904175.0001 | K904175.T080P6.801P | 174 | 73 | 107 | 41 | 114 | 30 | 31,5 | 11,5 | 26 | 85,2 | 80* | 126 | M6 | 39 | 11 | 13,5 | 12,5 | 8 | 26 | 89 | 20 | 6,8 | 28 | 800 |
| K904200.0002 | K904200.T080P6.801P | 201 | 71 | 106 | 46 | 136 | 24,5 | 32 | 14,5 | 30 | 85,2 | 80* | 145 | M6 | 35 | 12 | 13,6 | 12,5 | 10 | 26 | 97 | 22 | 6,8 | 23 | 970 |