VOLANTINO DI MANOVRA PIENO CON SEDE INDICATORE – CON MANICO GIREVOLE E PIEGHEVOLE E CON POMELLO DI BLOCCAGGIO
K905
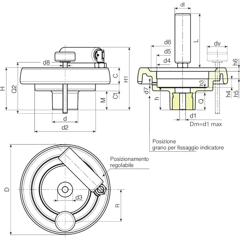
Volantini di manovra con sede per indicatore gravitazionale
Materiali:
Poliammide rinforzata e stabilizzata.
Resistente ad olii e grassi.
Superficie:
Satinata.
Colore:
Nero (RAL 9011).
Inserto:
Boccola con foro liscio passante in acciaio zincato, (tolleranza foro H10).
Indicatore Montabile:
Utilizzare Indicatori gravitazionali modelli serie K650 o K660. L’indicatore può essere usato solo in posizione verticale (asse macchina orizzontale). L’indicatore e il relativo grano di fissaggio d7 sono da acquistare separatamente. Per informazioni ulteriori sugli indicatori consultare le pagine relative agli articoli K650 e K660.
(*) Con l’adattatore KS08050.T01 è possibile montare l’indicatore K650050.
Inserto laterale:
Boccola in ottone con foro filettato passante.
Manico laterale:
Manico girevole Art. M136.
Volantino di Fissaggio:
Vol. cilindrico G793-36 con prigioniero filettato.
Fissaggio:
Per eventuali sistemi di fissaggio, l’esecuzione di linguette e/o fori quadri, prego consultare le note tecniche allegate al catalogo.
Richieste Speciali:
Su richiesta e con un minimo di 50 pezzi, gli inserti possono essere forniti con il foro d1 con tolleranza H7 e finitura brunita.
Su richiesta e per quantità gli inserti possono essere forniti con il foro d1 a disegno.
Su richiesta e per quantità gli inserti possono essere forniti in materiale/rivestimento diverso.
Indicatore da ordinare a parte.
Su richiesta e per quantità la sede indicatore può essere variata.
Corrispondenze Diametri/Indicatori:
d5=50 --> K650050
d5=80 --> K650080 o K660080







Codice | art. | D | H | H1 | d | d2 | M | C | C1 | d3 | d4 | d5 | d6 | d7 | h | h3 | h4 | h5 | h6 | R | d8 | dl | L | Dm | d1 | Q | Peso (g) |
---|---|---|---|---|---|---|---|---|---|---|---|---|---|---|---|---|---|---|---|---|---|---|---|---|---|---|---|
K905130.0002 | K905130.T080P6.801P | 130 | 65.5 | 94 | 42 | 98 | 28.5 | 23,5 | 13,5 | 29 | 85.2 | 80* | 90 | M6 | 34 | 10 | 13.5 | 12.5 | 5 | 54 | M8 | 25 | 76 | 20 | 6.8 | 24 | 430 |
K905150.0003 | K905150.T080P6.801P | 149 | 69 | 104 | 42 | 101 | 31 | 25.5 | 12.5 | 29 | 85.2 | 80* | 106 | M6 | 37 | 9 | 13.5 | 12.5 | 6.5 | 57 | M8 | 26 | 89 | 20 | 6.8 | 28 | 615 |
K905175.0006 | K905175.T080P6.801P | 174 | 73 | 108 | 41 | 114 | 30 | 31.5 | 11.5 | 26 | 85.2 | 80* | 126 | M6 | 39 | 11 | 13.5 | 12.5 | 8 | 60 | M8 | 26 | 89 | 20 | 6.8 | 28 | 835 |
K905200.0001 | K905200.T080P6.801P | 201 | 71 | 106 | 46 | 136 | 24,5 | 32 | 14,5 | 30 | 85.2 | 80* | 145 | M6 | 35 | 12 | 13.6 | 12.5 | 10 | 74 | M8 | 26 | 97 | 22 | 6.8 | 23 | 999 |