KONZOL FOGANTYÚHOZ CSŐVEL
02
B321
Maniglie con tubo
Anyagok:
Üvegszálas poliamid.
Olajokkal és zsírokkal szemben ellenálló.
Felületkikészítés:
Szatén.
Szín:
Fekete(RAL 9011).
Furat:
A műanyag formázásával kapott sima átmenő furat.
Speciális kérések:
Kérésre csavar-/furatsapkák állnak rendelkezésre.
Kérésre és speciális mennyiségek esetében a színkártyán jelzett színekben áll rendelkezésre.
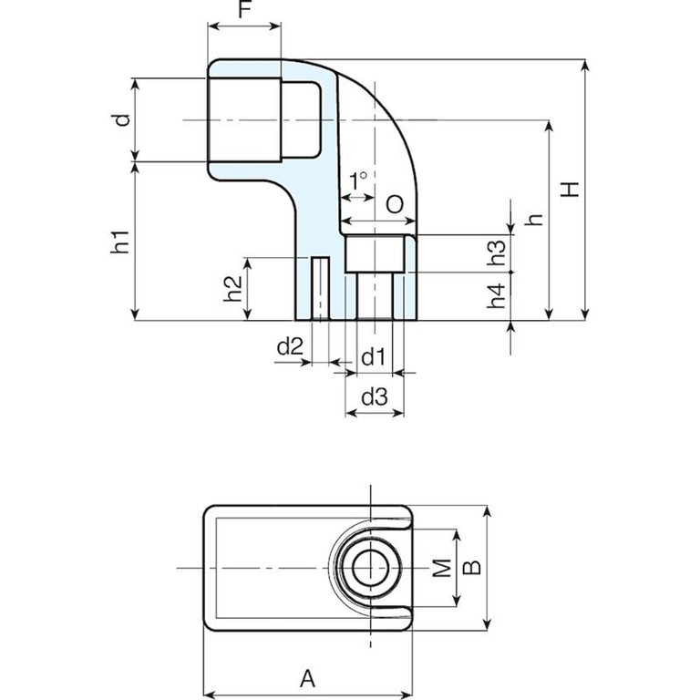
| Kód | art. | d | d1 | d3 | d2 | A | B | H | h | h1 | h4 | h3 | h2 | M | O | F | Tömeg (g) |
|---|---|---|---|---|---|---|---|---|---|---|---|---|---|---|---|---|---|
| B321.0001 | B321.TG2001 | 20 | 8.5 | 14.5 | 4 | 50 | 30 | 57 | 43 | 33 | 7 | 12.5 | 15 | 18.5 | 18 | 17 | 47 |
| B321.0002 | B321.TG3001 | 30 | 10,5 | 16 | 4 | 60 | 40 | 77 | 58 | 43 | 12 | 15 | 19 | 23 | 22 | 21 | 92 |