ADAPTATEUR POUR BOBINES EN MÉTAL SANS ARMATURE INTÉRIEURE POUR MACHINES À SOUDER MIG/MAG
19
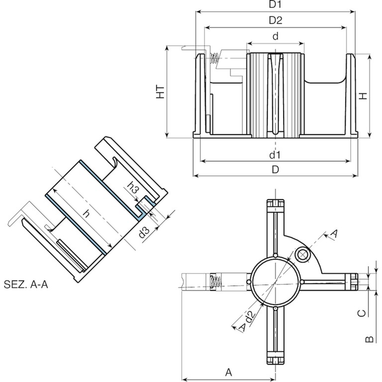
S816
Accessori bobine MIG
Matériaux :
Polyamide renforcé.
Résistant aux huiles et aux graisses.
Surface :
Satinée.
Couleur :
Noir (RAL 9011).
Trou :
Trou lisse passant obtenu par moulage dans le plastique.
Ressort :
Ressort en acier zingué pour mécanisme de sécurité anti-décrochage de la bobine.
Demandes spéciales :
Aucune.












Code | art. | D | HT | D1 | D2 | d | d1 | d2 | d3 | H | h | h3 | A | B | C | Poids (g) |
---|---|---|---|---|---|---|---|---|---|---|---|---|---|---|---|---|
S816.0001 | S816.T01 | 192 | 108 | 187 | 166 | 67 | 175.5 | 53 | 11.5 | 98 | 99 | 16 | 110 | 17.5 | 6.5 | 290 |