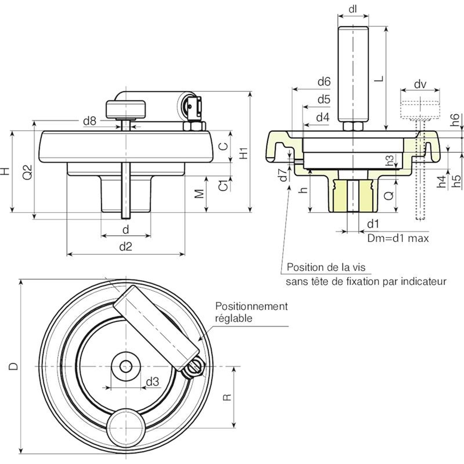
Matériaux :
Polyamide renforcé et stabilisé.
Résistant aux huiles et aux graisses.
Surface :
Satinée.
Couleur :
Noir(RAL 9011).
Insert :
Douille avec trou lisse passant en acier zingué (tolérance trou H10).
Indicateur montable :
Utiliser des indicateurs gravitationnels modèles K650 ou K660. L’indicateur ne peut être utilisé qu’en position verticale (axe de la machine horizontal). L’indicateur et son goujon de fixation d7 doivent être achetés séparément. Pour toute information complémentaire sur les indicateurs consulter les pages relatives aux articles K650 et K660.
(*) Avec l’adaptateur KS08050.T01 il est possible de monter l’indicateur K650050.
Insert latéral :
Douille en laiton avec trou fileté passant.
Manche latéral :
Manche rotatif art. M136.
Volant de fixation :
Vol. cylindrique G793-36 avec goujon fileté.
Fixation :
Pour les éventuels systèmes de fixation, l’exécution de clavettes et/ou de trous carrés, veuillez consulter les notes techniques jointes au catalogue.
Demandes spéciales :
Sur demande et avec un minimum de 50 pièces, les inserts peuvent être fournis avec trou d1 avec tolérance H7 et finition brunie.
Sur demande et pour des quantités importantes, les inserts peuvent être fournis avec le trou d1 selon un dessin.
Sur demande et pour des quantités importantes, les inserts peuvent être fournis dans un autre matériau/revêtement.
Indicateur à commander séparément.
Sur demande et pour des quantités importantes, il est possible de modifier le logement destiné à l’indicateur.
Correspondances diamètres/indicateurs :
d5=50 --> K650050
d5=80 --> K650080 ou K660080
| Code | art. | D | H | H1 | d | d2 | M | C | C1 | d3 | d4 | d5 | d6 | d7 | h | h3 | h4 | h5 | h6 | R | d8 | dl | L | Dm | d1 | Q | Poids (g) |
|---|---|---|---|---|---|---|---|---|---|---|---|---|---|---|---|---|---|---|---|---|---|---|---|---|---|---|---|
| K905130.0002 | K905130.T080P6.801P | 130 | 65.5 | 94 | 42 | 98 | 28.5 | 23,5 | 13,5 | 29 | 85.2 | 80* | 90 | M6 | 34 | 10 | 13.5 | 12.5 | 5 | 54 | M8 | 25 | 76 | 20 | 6.8 | 24 | 430 |
| K905150.0003 | K905150.T080P6.801P | 149 | 69 | 104 | 42 | 101 | 31 | 25.5 | 12.5 | 29 | 85.2 | 80* | 106 | M6 | 37 | 9 | 13.5 | 12.5 | 6.5 | 57 | M8 | 26 | 89 | 20 | 6.8 | 28 | 615 |
| K905175.0006 | K905175.T080P6.801P | 174 | 73 | 108 | 41 | 114 | 30 | 31.5 | 11.5 | 26 | 85.2 | 80* | 126 | M6 | 39 | 11 | 13.5 | 12.5 | 8 | 60 | M8 | 26 | 89 | 20 | 6.8 | 28 | 835 |
| K905200.0001 | K905200.T080P6.801P | 201 | 71 | 106 | 46 | 136 | 24,5 | 32 | 14,5 | 30 | 85.2 | 80* | 145 | M6 | 35 | 12 | 13.6 | 12.5 | 10 | 71 | M8 | 26 | 97 | 22 | 6.8 | 23 | 999 |