VOLANTS DE MANOEUVRE PLEIN AVEC MANCHE ROTATIF/PLIABLE ET VOLANT DE FIXATION
C980
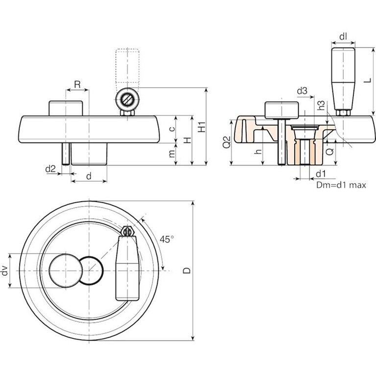
Volantini con manico pieghevole
Matériaux :
Polyamide renforcé et stabilisé.
Résistant aux huiles et aux graisses.
Surface :
Satinée.
Couleur:
Noir (RAL 9011).
Bouchon central :
Polyamide gris (RAL 7035 code 13).
Insert principal :
Douille avec trou lisse passant en acier zingué (tolérance trou H10).
Insert latéral :
Douille avec trou fileté passant en laiton.
Manche latéral :
Manche rotatif et pliable art. M136.
Volant de fixation:
Vol. cylindrique noire Ral 9011 art.G793-36 (Ø 100 art. G732-25) avec goujon fileté.
Fixation :
Pour les éventuels systèmes de fixation, l’exécution de clavettes et/ou de trous carrés, veuillez consulter les notes techniques jointes au catalogue.
Demandes spéciales :
Sur demande et avec un minimum de 50 pièces, les inserts peuvent être fournis avec trou d1 avec tolérance H7 et finition brunie.
Sur demande et pour des quantités importantes, les inserts peuvent être fournis avec le trou d1 selon un dessin.
Sur demande et pour des quantités importantes, les inserts peuvent être fournis dans un autre matériau/revêtement.






Attention : les codes Art. indiqués dans le tableau sont partiels. Veuillez communiquer les cotes R et Q2 afin d’obtenir le code définitif.
Code | Art. | D | H | H1 | h | d | m | c | d3 | h3 | R | d2 | Q2 | dl | L | Dm | d1 H10 | Q | Poids (g) |
---|---|---|---|---|---|---|---|---|---|---|---|---|---|---|---|---|---|---|---|
C980100... | C980100.TP0501P... | 100.5 | 39 | 63 | 34 | 30.5 | 18 | 21 | 16.5 | 10 | 20÷23 | M6 | A.R. | 20 | 56 | 16 | 5 | 24 | 295 |
C980125... | C980125.TP0501P... | 125 | 44 | 74 | 37 | 36 | 20 | 24 | 26 | 13 | 23÷25 | M8 | A.R. | 25 | 76 | 18 | 5 | 24 | 420 |
C980150... | C980150.TD0801P... | 150 | 54 | 89 | 44 | 38 | 25 | 29 | 26 | 12 | 25÷28 | M8 | A.R. | 26 | 89 | 22 | 8 | 32 | 730 |
C980175... | C980175.TD0801P... | 173 | 57 | 92 | 47 | 40 | 25.5 | 31.5 | 26 | 15 | 26÷36 | M8 | A.R. | 26 | 89 | 22 | 8 | 32 | 885 |
C980200... | C980200.TD0801P... | 204 | 61 | 94 | 49.5 | 45 | 26 | 35 | 26.5 | 13.5 | 28÷42 | M8 | A.R. | 26 | 97 | 28 | 8 | 36 | 1100 |
C980250... | C980250.TD0801P... | 251 | 66,5 | 100 | 56,5 | 60 | 27,5 | 39 | 36 | 20,5 | 36÷50 | M8 | A.R. | 26 | 97 | 28 | 8 | 36 | 1640 |