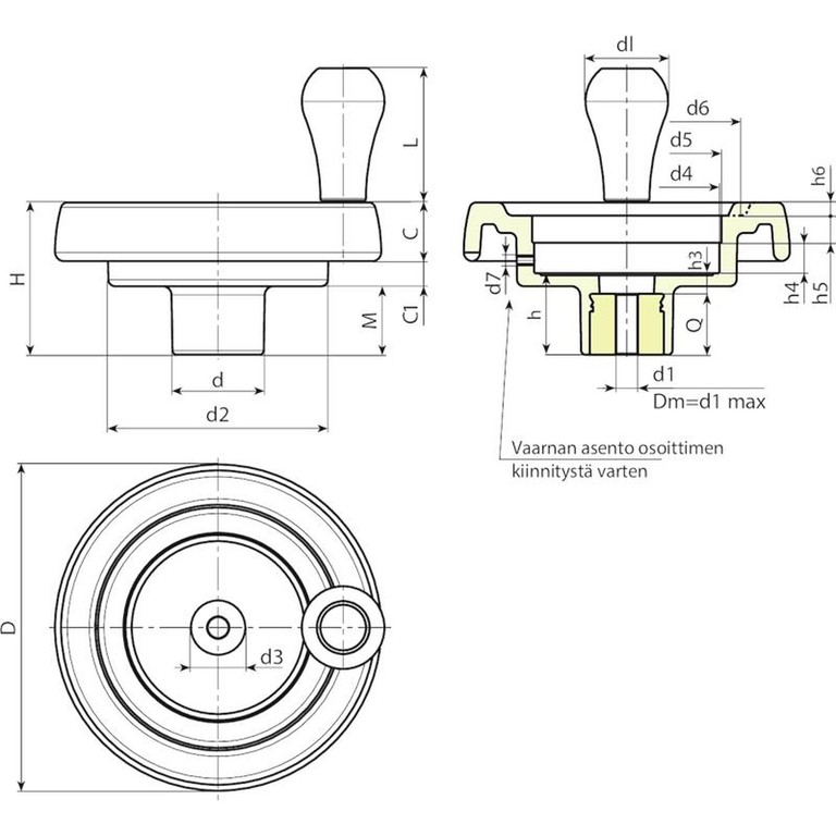
AUKOTON KÄSIPYÖRÄ, JOSSA ON PAIKKA ILMAISIMELLE SEKÄ KIERRETTÄVÄ KAHVA M202
K908
Volantini di manovra con sede per indicatore gravitazionale
Materiaalit:
Vahvistettu ja stabiloitu polyamidi.
Kestää öljyjä ja rasvoja.
Pinta:
Satinoitu.
Väri:
Musta (RAL 9011).
Istukka:
Holkki, sileä läpireikä, sinkittyä terästä (reiän toleranssi H10).
Sivuistukka:
Messinkiholkki, kierteitetty läpireikä.
Sivukahva:
Kierrettävä kahva art. M202.
Asennettava ilmaisin:
Käytä mallisarjojen K650 ja K660 painovoimaperusteisia ilmaisimia. Ilmaisinta voidaan käyttää ainoastaan pystyasennossa (koneen akseli vaakasuuntainen). Ilmaisin ja kyseinen kiinnitysvaarna d7 on hankittava erikseen. Lisätietoja ilmaisimista on saatavana artikkeleja K650 ja K660 koskevilta sivuilta.
(*) Sovittimen KS08050.T01 kanssa on mahdollista asentaa ilmaisin K650050.
Kiinnitys:
Mahdollisten kiinnitysjärjestelmien, kielekkeiden ja/tai neliömäisten reikien osalta on tutustuttava luetteloon liitettyihin teknisiin tietoihin.
Erikoistilaukset:
Tilauksesta ja vähintään 50 kappaletta varten istukat voidaan toimittaa reiällä, jonka mitta on d1, toleranssi H7, mustattu viimeistely.
Määrästä riippuen voidaan tilauksesta toimittaa istukoita, joiden reiän mitta on d1, piirustuksen mukaisesti.
Määrästä riippuen voidaan tilauksesta toimittaa istukoita myös muista materiaaleista valmistettuina/päällystettyinä.
Ilmaisin on tilattava erikseen.
Ilmaisimen paikkaa on mahdollista muuttaa tilauksesta, määrästä riippuen.
Halkaisijoiden/ilmaisimien vastaavuudet:
d5=50 --> K650050
d5=80 --> K650080 tai K660080







Koodi | art. | D | H | d | d2 | M | C | C1 | d3 | d4 | d5 | d6 | d7 | h | h3 | h4 | h5 | h6 | dl | L | Dm | d1 | Q | Paino (g) |
---|---|---|---|---|---|---|---|---|---|---|---|---|---|---|---|---|---|---|---|---|---|---|---|---|
K908150.0001 | K908150.T080P6.801P | 149 | 69 | 42 | 101 | 31 | 25.5 | 12.5 | 29 | 85,2 | 80* | 106 | M6 | 37 | 9 | 13.5 | 12.5 | 6.5 | 40 | 64 | 20 | 6.8 | 28 | 525 |
K908175.0001 | K908175.T080P6.801P | 174 | 73 | 41 | 114 | 30 | 31,5 | 11.5 | 26 | 85.2 | 80* | 126 | M6 | 39 | 11 | 13,5 | 12,5 | 8 | 40 | 64 | 20 | 6.8 | 28 | 745 |
K908200.0001 | K908200.T080P6.801P | 201 | 71 | 46 | 136 | 24,5 | 32 | 14,5 | 30 | 85,2 | 80* | 145 | M6 | 35 | 12 | 13.6 | 12.5 | 10 | 40 | 64 | 22 | 6.8 | 23 | 905 |