Materiales:
Poliamida reforzada y estabilizada.
Resistente a aceites y grasas.
Superficie:
Satinada.
Color:
Negro(RAL 9011).
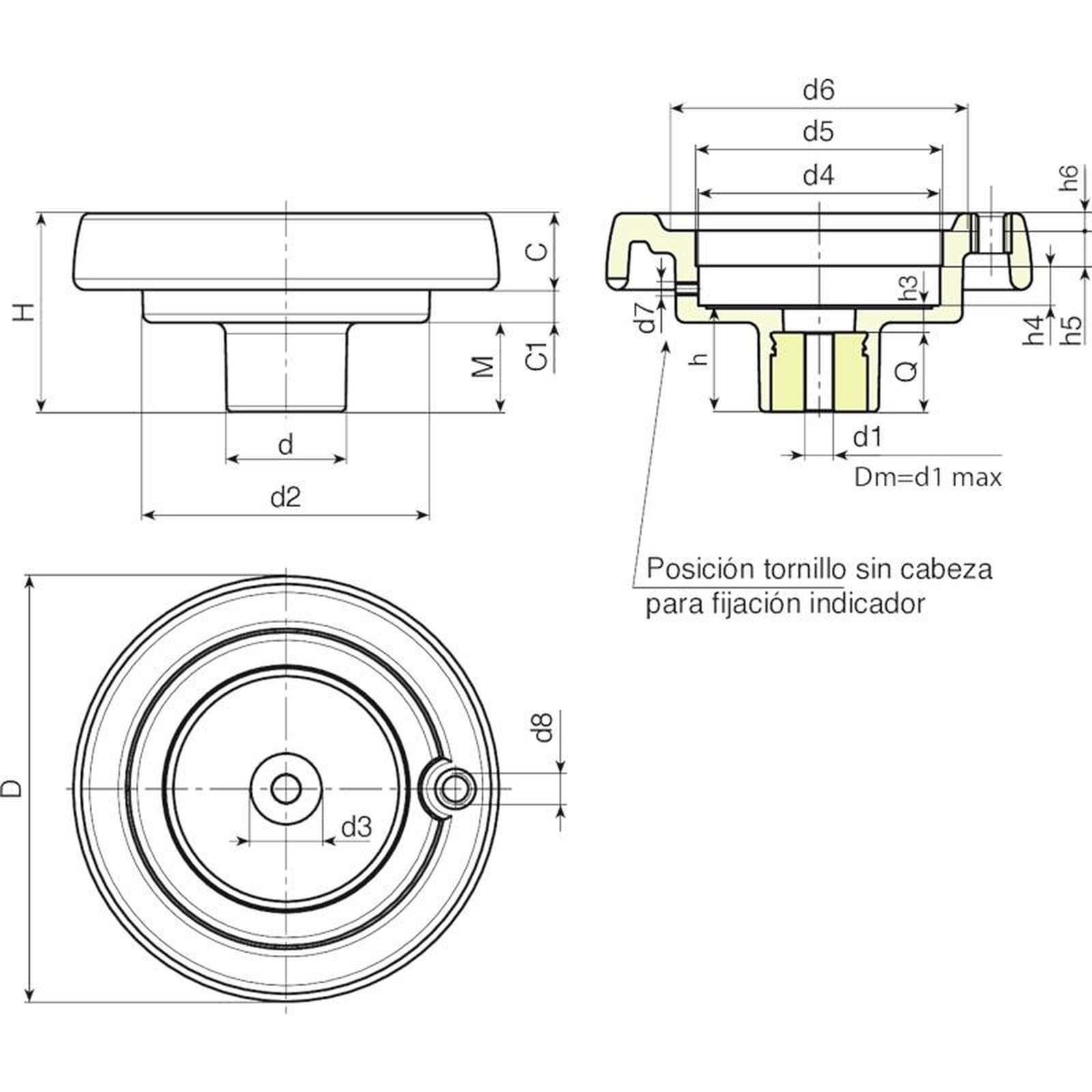
Inserto:
Casquillo con orificio liso pasante de acero galvanizado (tolerancia orificio H10).
Inserto lateral:
Casquillo de latón con orificio roscado pasante.
Indicador instalable:
Utilice indicadores gravitacionales modelos serie K650 o K660. El indicador se puede utilizar solo en posición vertical (eje máquina horizontal). El indicador y el correspondiente tornillo sin cabeza de fijación d7 se deben comprar por separado. Para más información sobre los indicadores, consulte las páginas correspondientes a los artículos K650 y K660.
(*) Con el adaptador KS08050.T01, es posible instalar el indicador K650050.
Fijación:
Para eventuales sistemas de fijación y para la realización de lengüetas y/o orificios cuadrados, se ruega consultar las notas técnicas adjuntas al catálogo.
Requerimientos especiales:
Bajo pedido y con un mínimo de 50 unidades, los insertos se pueden suministrar con orificio d1 con tolerancia H7 y acabado pavonado.
Bajo pedido, y por determinadas cantidades, los insertos se pueden suministrar con el orificio d1 según diseño.
Bajo pedido, y por determinadas cantidades, los insertos se pueden suministrar de otro material y con diferente revestimiento.
El indicador se debe solicitar aparte.
Bajo pedido, y por determinadas cantidades, el alojamiento del indicador puede ser diferente.
Correspondencias diámetros/indicadores:
d5=50 --> K650050
d5=80 --> K650080 o K660080
| Código | art. | D | H | d | d2 | M | C | C1 | d3 | d4 | d5 | d6 | d7 | d8 | h | h3 | h4 | h5 | h6 | Dm | d1 | Q | Peso (g) |
|---|---|---|---|---|---|---|---|---|---|---|---|---|---|---|---|---|---|---|---|---|---|---|---|
| K087.T050P5.801P | K087.T050P5.801P | 86 | 53 | 32 | 62 | 21 | 17 | 15 | 20 | 50,8 | 50 | 63 | M6 | M6 | 26,5 | 6,5 | 11,5 | 12 | 3 | 12 | 5,8 | 20 | 155 |
| K100.T050P6.801P | K100.T050P6.801P | 99 | 55,5 | 32 | 63 | 23,5 | 20,5 | 11,5 | 20 | 50,8 | 50 | 68 | M6 | M6 | 29 | 9 | 11,5 | 12 | 3,5 | 12 | 6,8 | 20 | 170 |
| K130.T080P6.801P | K130.T080P6.801P | 130 | 65,5 | 42 | 98 | 28,5 | 23,5 | 13,5 | 29 | 85,2 | 80* | 90 | M6 | M8 | 34 | 10 | 13,5 | 12,5 | 5 | 20 | 6,8 | 24 | 350 |
| K150.T080P6.801P | K150.T080P6.801P | 149 | 69 | 42 | 101 | 31 | 25,5 | 12,5 | 29 | 85,2 | 80* | 106 | M6 | M10 | 37 | 9 | 13,5 | 12,5 | 6,5 | 20 | 6,8 | 28 | 430 |
| K175.T080P6.801P | K175.T080P6.801P | 174 | 73 | 41 | 114 | 30 | 31,5 | 11,5 | 26 | 85,2 | 80* | 126 | M6 | M10 | 39 | 11 | 13,5 | 12,5 | 8 | 20 | 6,8 | 28 | 650 |
| K200.T080P6.801P | K200.T080P6.801P | 201 | 71 | 46 | 136 | 24,5 | 32 | 14,5 | 30 | 85,2 | 80* | 145 | M6 | M10 | 35 | 12 | 13,6 | 12,5 | 10 | 22 | 6,8 | 23 | 810 |