Materials:
Reinforced and stabilized polyamide.
Resistant to oils and greases.
Surface finish:
Satin.
Handwheel and handle colour:
Black(RAL 9011).
Central cap:
Grey polyamide (RAL 7035). 13).
Main insert:
Galvanised steel insert with smooth through bore (tolerance H10).
Lateral insert:
Brass insert with threaded through hole.
Lateral handle:
Revolving handle that folds into the handwheel, with hexagonal connection.
Reinforced polyamide handle. Black-oxide treated internal mechanism. Fixed with black-oxide treated hexagon socket button head screw ISO 7838.
Locking knob:
Black cylindrical knob Ral 9011 art. G793-36 with threaded stud.
Fixing method:
For fixing systems, or execution of keyways or square holes, please refer to the technical notes attached to the catalogue.
Special requests:
On request and with a minimum of 50 pieces, the inserts can be supplied with the hole d1 with H7 tolerance and black-oxide finish.
Upon request and for special quantities inserts can be supplied with custom hole diameter d1.
Upon request and for special quantities inserts can be supplied in different materials/with different coatings.
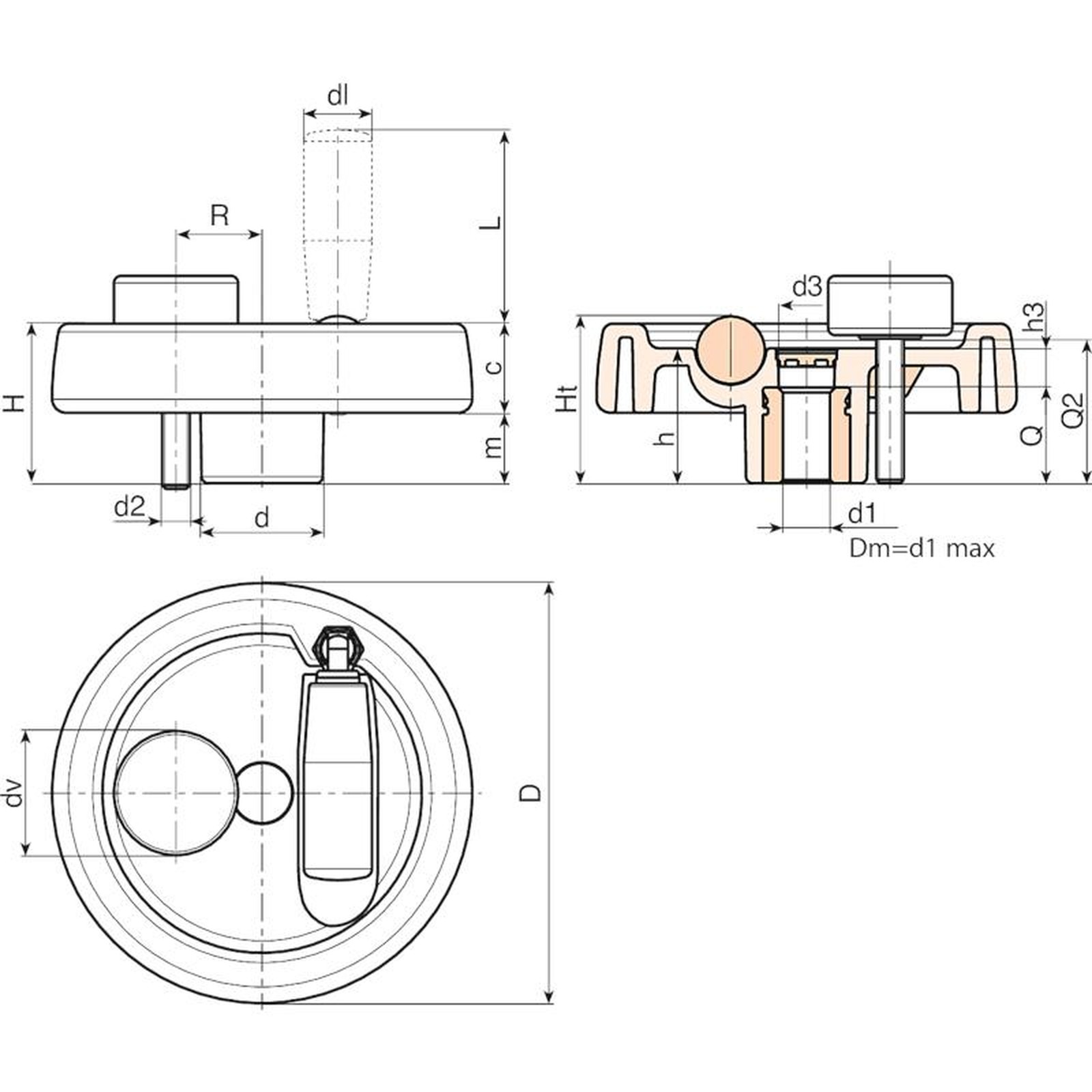
Note: the article codes in the table are incomplete. Communicate the R and Q2 values to obtain the full code.
| Code | Art. | D | H | Ht | h | d | m | c | d3 | h3 | R | d2 | Q2 | dl | L | Dm | d1 H10 | Q | Weight (g) |
|---|---|---|---|---|---|---|---|---|---|---|---|---|---|---|---|---|---|---|---|
| C990125... | C990125.TP0501P... | 124 | 48 | 49.5 | 40 | 36 | 21.5 | 26.5 | 16 | 15 | 22÷25 | M8 | A.R. | 20 | 38 | 18 | 5 | 24 | 410 |
| C990150... | C990150.TD0801P... | 149 | 53 | - | 44 | 38 | 24.5 | 28.5 | 12 | 26 | 25÷28 | M8 | A.R. | 20 | 58 | 22 | 8 | 32 | 560 |
| C990175... | C990175.TD0801P... | 174 | 58 | - | 48 | 40 | 24.5 | 33.5 | 16 | 26 | 26÷36 | M8 | A.R. | 26 | 80 | 28 | 8 | 32 | 775 |
| C990200... | C990200.TD0801P... | 198 | 63 | - | 53 | 44 | 24.5 | 38.5 | 17 | 26 | 28÷42 | M8 | A.R. | 27 | 90 | 28 | 8 | 36 | 1075 |
| C990250... | C990250.TD0801P... | 250 | 67 | - | 58 | 60 | 29 | 38 | 22 | 36 | 36÷50 | M8 | A.R. | 27 | 90 | 28 | 8 | 36 | 1560 |