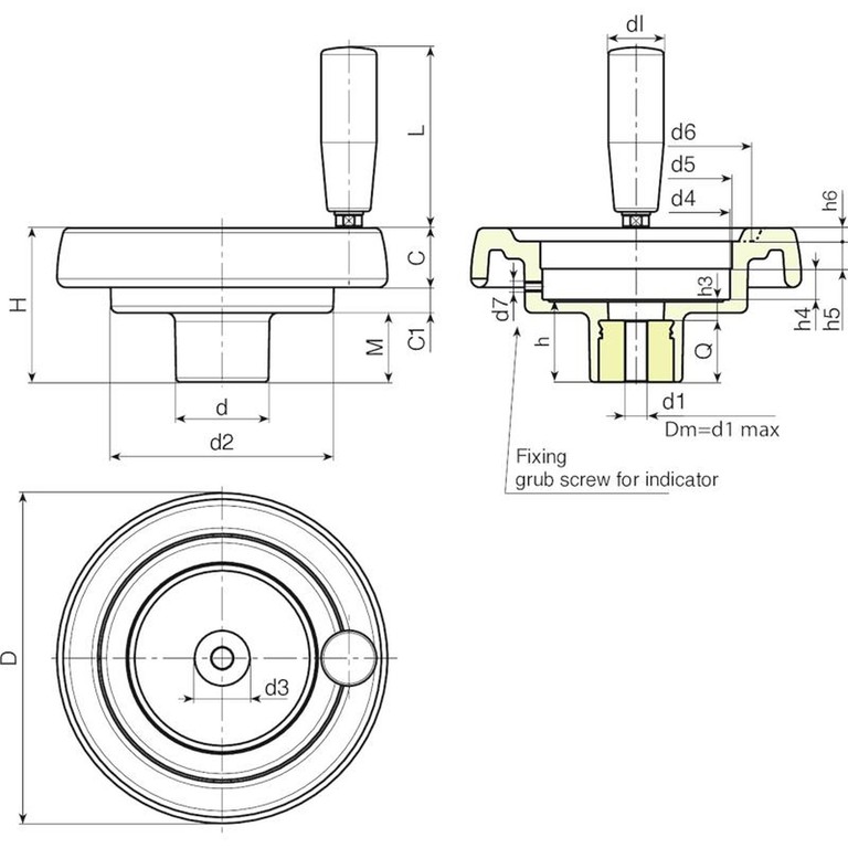
SOLID CONTROL HANDWHEEL WITH INDICATOR SEAT AND REVOLVING HANDLE M145
K907
Volantini di manovra con sede per indicatore gravitazionale
Materials:
Reinforced and stabilized polyamide.
Resistant to oils and greases.
Surface finish:
Satin.
Colour:
Black (RAL 9011).
Insert:
Galvanised steel insert with smooth through bore (tolerance H10).
Lateral insert:
Brass insert with threaded through hole.
Lateral handle:
Revolving handle art. M145.
Mountable indicator:
Use gravity position indicators models K650 or K660. The indicator can be only used in a vertical position (horizontal machine axis). The indicator and the corresponding grub screw d7 must be purchased separately. For further information on the indicators see the pages of articles K650 and K660.
(*) With adapter KS08050.T01 you can mount the indicator K650050.
Fixing method:
For fixing systems, or execution of keyways or square holes, please refer to the technical notes attached to the catalogue.
Special Requests:
On request and with a minimum of 50 pieces, the inserts can be supplied with the hole d1 with H7 tolerance and black-oxide finish.
Upon request and for special quantities inserts can be supplied with custom hole diameter d1.
Upon request and for special quantities inserts can be supplied in different materials/with different coatings.
The indicator must be ordered separately.
Upon request and for special quantities it is possible to change the indicator seat.
Combinations Diameters/Indicators:
d5=50 --> K650050
d5=80 --> K650080 or K660080







Code | art. | D | H | d | d2 | M | C | C1 | d3 | d4 | d5 | d6 | d7 | h | h3 | h4 | h5 | h6 | dl | L | Dm | d1 | Q | Weight (g) |
---|---|---|---|---|---|---|---|---|---|---|---|---|---|---|---|---|---|---|---|---|---|---|---|---|
K907087.0001 | K907087.T050P5.801P | 86 | 53 | 32 | 62 | 21 | 17 | 15 | 20 | 50.8 | 50 | 63 | M6 | 26.5 | 6.5 | 11.5 | 12 | 3 | 20 | 55 | 12 | 5.8 | 20 | 187 |
K907100.0002 | K907100.T050P6.801P | 99 | 55.5 | 32 | 63 | 23.5 | 20.5 | 11.5 | 20 | 50.8 | 50 | 68 | M6 | 29 | 9 | 11.5 | 12 | 3.5 | 20 | 55 | 12 | 6.8 | 20 | 205 |
K907130.0001 | K907130.T080P6.801P | 130 | 65.5 | 42 | 98 | 28.5 | 23,5 | 13,5 | 29 | 85,2 | 80* | 90 | M6 | 34 | 10 | 13.5 | 12.5 | 5 | 23 | 66 | 20 | 6.8 | 24 | 424 |
K907150.0001 | K907150.T080P6.801P | 149 | 69 | 42 | 101 | 31 | 25.5 | 12.5 | 29 | 85,2 | 80* | 106 | M6 | 37 | 9 | 13.5 | 12.5 | 6.5 | 25 | 76 | 20 | 6.8 | 28 | 516 |
K907175.0001 | K907175.T080P6.801P | 174 | 73 | 41 | 114 | 30 | 31,5 | 11.5 | 26 | 85,2 | 80* | 126 | M6 | 39 | 11 | 13,5 | 12,5 | 8 | 25 | 87 | 20 | 6.8 | 28 | 745 |
K907200.0001 | K907200.T080P6.801P | 201 | 71 | 46 | 136 | 24,5 | 32 | 14,5 | 30 | 85,2 | 80* | 145 | M6 | 35 | 12 | 13.6 | 12.5 | 10 | 27 | 87 | 22 | 6.8 | 23 | 900 |