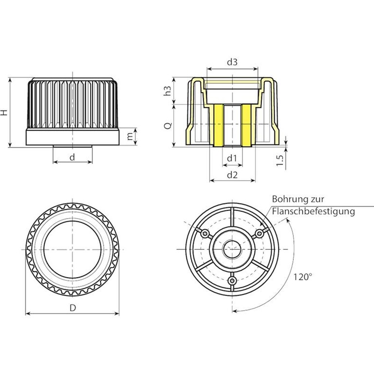
DREHKNOPF GERÄNDELT MIT INNENGEWINDE
14
N248
Manicotti zigrinati
Material:
Polyamid glasfaserverstärkt (PA6+GF).
Öl- und fettbeständig.
Oberfläche:
Matt.
Farbe:
Schwarz (RAL 9011).
Stopfen:
Abdeckung aus grauem Polyamid (RAL 7035).
Einsatz:
Durchgangsgewinde aus verzinktem Stahl (Gewindetoleranz 6H).
Anmerkungen:
(*) Seitliche Befestigung Ring NFLAN (Sonderausstattung).
Weitere Möglichkeiten:
Kundenspezifische Buchsendurchmesser d1 nach Zeichnung.
Auf Anfrage und ab bestimmten Abnahmemengen können die Buchsen in einem anderen Material oder einer anderen Beschichtung geliefert werden.
Auf Anfrage und ab bestimmten Abnahmemengen sind die Farben (Achtung: reduziertes Spektrum) aus der Farbtabelle erhältlich.







Code | Art. | D | H | m | d | d2 | d3 | h3 | d1 6H | Q | Gewicht (g) |
---|---|---|---|---|---|---|---|---|---|---|---|
N24830.0001 | N24830.TM0801 (*) | 30 | 31,5 | 11,5 | 20 | 20 | 18 | 5,5 | M8 | 26 | 79 |
N24843.0002 | N24843.TM1001 | 43 | 37,5 | 11,5 | 22 | 27,5 | 23 | 13,5 | M10 | 24 | 85 |
N24854.0002 | N24854.TM1201 | 54 | 43,5 | 12 | 26 | 32 | 31 | 13,5 | M12 | 30 | 155 |
N24865.0001 | N24865.TM1201 | 65 | 48,5 | 12 | 27 | 32 | 36 | 18,5 | M12 | 30 | 180 |
N24878.0001 | N24878.TM1401 | 78 | 55,5 | 12,5 | 31 | 36 | 50 | 23,5 | M14 | 32 | 270 |
Vorhandene Gewindelöcher: N248-30: M08-M10-M12
Vorhandene Gewindelöcher: N248-43: M08-M10-M12
Vorhandene Gewindelöcher: N248-54: M08-M10-M12
Vorhandene Gewindelöcher: N248-65: M10-M12-M14
Vorhandene Gewindelöcher: N248-78: M12-M14-M16
Achtung: ab einer Mindestbestellmenge von 100 Stück kann der Durchmesser d1 auf Anfrage mit anderen Abmessungen hergestellt werden.