Material:
Polyamid glasfaserverstärkt, (PA6+GF).
Öl- und fettbeständig.
Oberfläche:
Matt.
Farbe:
Schwarz(RAL 9011).
Einsatz:
Buchse aus verzinktem Stahl mit Durchgangsbohrung (Toleranz H10).
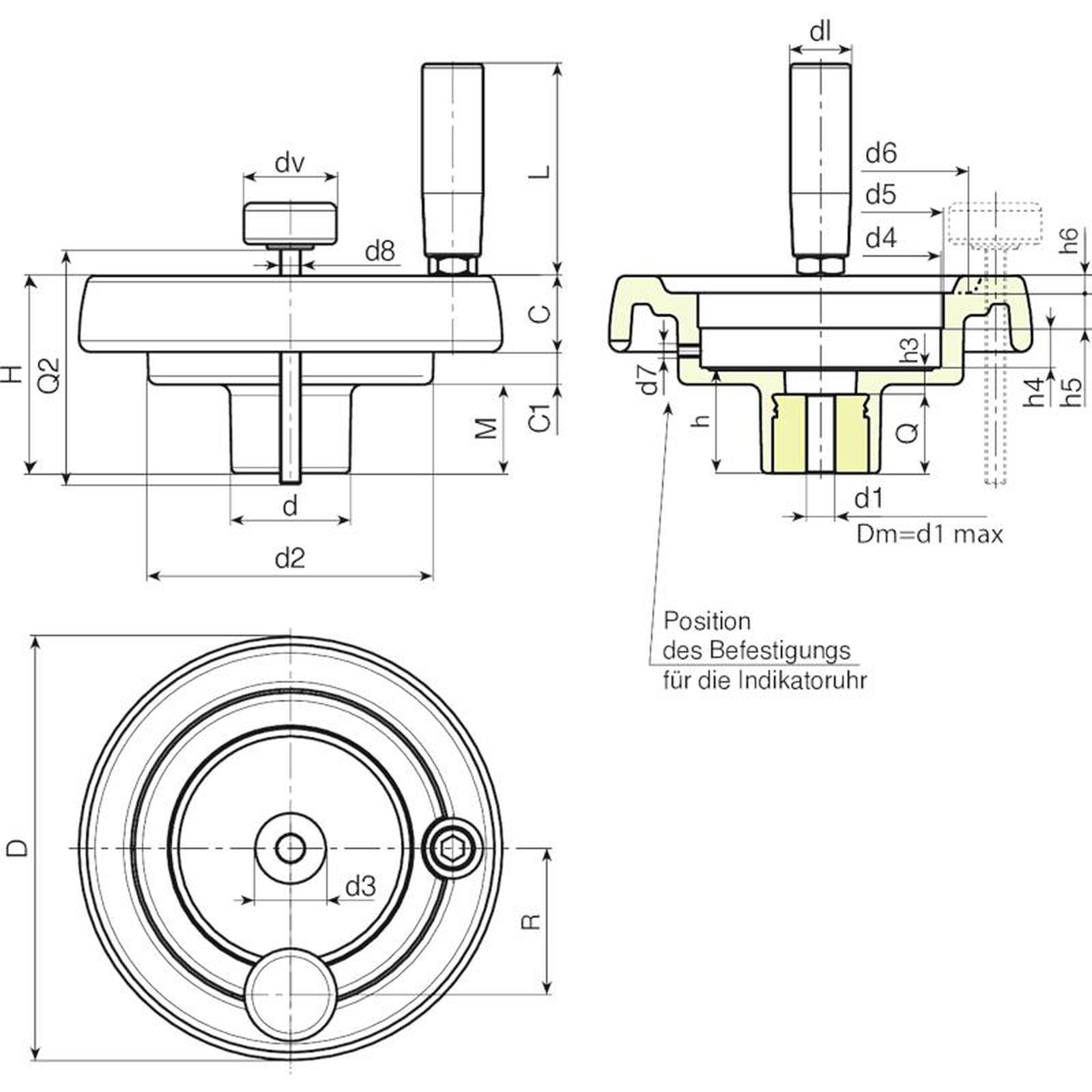
Verwendbarer Stellungsanzeiger:
Geeignet für die Stellungsanzeiger der Baureihen K650 oder K660. Der Stellungsanzeiger kann nur in vertikaler Lage verwendet werden (horizontale Maschinenachse). Der Stellungsanzeiger und der zugehörige Gewindestift d7 sind separat zu bestellen. Weitere Informationen zu den Stellungsanzeigern siehe Seiten mit den Artikeln K650 und K660.
(*) Mit dem Adapter KS08050.T01 lässt sich der Stellungsanzeiger K650050 einbauen.
Seitlicher Einsatz:
Buchse aus Messing mit Durchgangsgewinde.
Seitengriff:
Drehgriff Art. M144.
Arretierung:
Zylindrisches Handrad G793-36 mit Gewindebolzen.
Befestigung:
Individuelle Befestigungsmöglichkeiten, sowie Ausführung für eine Passfeder / Vierkant-Aussparung siehe Katalog.
Weitere Möglichkeiten:
Buchse mit brünierter Oberfläche (d1 mit Toleranz H7). Ab einer Mindestabnahmemenge von 50 Stück.
Kundenspezifische Buchsendurchmesser d1 nach Zeichnung.
Auf Anfrage und ab bestimmten Abnahmemengen können die Buchsen in einem anderen Material oder einer anderen Beschichtung geliefert werden.
Stellungsanzeiger ist separat zu bestellen.
Auf Anfrage und ab bestimmten Abnahmemengen kann die Aufnahme der Stellungsanzeiger kundenspezifisch gefertigt werden.
Geeignete Stellungsanzeiger:
d5= 50 --> Für Stellungsanzeiger K650050
d5=80 --> Für Stellungsanzeiger K650080 oder K660080
| Code | Art. | D | H | d | d2 | M | C | C1 | d3 | d4 | d5 | d6 | d7 | h | h3 | h4 | h5 | h6 | R | d8 | dl | L | Dm | d1 | Q | Gewicht (g) |
|---|---|---|---|---|---|---|---|---|---|---|---|---|---|---|---|---|---|---|---|---|---|---|---|---|---|---|
| K903130.0002 | K903130.T080P6.801P | 130 | 65.5 | 42 | 98 | 87.5 | 23,5 | 13,5 | 29 | 85.2 | 80* | 90 | M6 | 34 | 10 | 13.5 | 12.5 | 5 | 54 | M8 | 22 | 65 | 20 | 6.8 | 24 | 426 |
| K903150.0001 | K903150.T080P6.801P | 149 | 69 | 42 | 101 | 31 | 25.5 | 12.5 | 29 | 85.2 | 80* | 106 | M6 | 37 | 9 | 13.5 | 12.5 | 6.5 | 57 | M8 | 23 | 76 | 20 | 6.8 | 28 | 555 |
| K903175.0001 | K903175.T080P6.801P | 174 | 73 | 41 | 114 | 30 | 31.5 | 11.5 | 26 | 85.2 | 80* | 126 | M6 | 39 | 11 | 13.5 | 12.5 | 8 | 60 | M8 | 25 | 86 | 20 | 6.8 | 28 | 782 |
| K903200.0001 | K903200.T080P6.801P | 201 | 71 | 46 | 136 | 24.5 | 32 | 14.5 | 30 | 85.2 | 80* | 145 | M6 | 35 | 12 | 13.6 | 12.5 | 10 | 71 | M8 | 25 | 86 | 22 | 6.8 | 23 | 950 |