HUNKOBLING TIL TP PANEL (KUN EGNET TIL INVERTER)
19
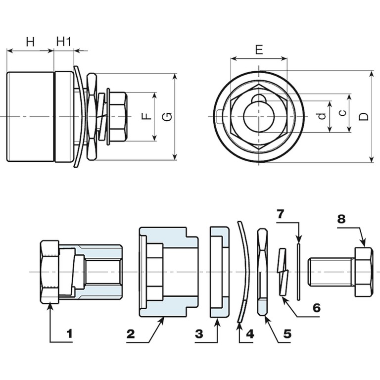
S117
Attacchi rapidi DINS
Materialer:
(2-3) Forstærket polyamid.
Olie- og fedtbestandig.
Overflade:
Satineret.
Farve:
Sort (RAL 9011).
Indsatser:
(1) Indsats af messing med hunkobling UNI.
(4) Bølgeskive af poleret stål DIN 137.
(5) Gevindskåret sekskantmøtrik af gult passiveret stål.
(6) Fjederskive af poleret stål UNI 1751.
(7) Underlagsskive af gult passiveret stål.
(8) Skrue med sekskanthoved passiveret gult DIN933/UNI 5739.
Andre muligheder:
Ingen.







Kode | art. | D | H | H1 | d | c | E | F | G | Weight (g) | Amp. Max |
---|---|---|---|---|---|---|---|---|---|---|---|
S117.0001 | S117.F3550 | 38 | 20 | 8 | 13 | 16 | 21 | 17 | 27 | 121 | 200 |