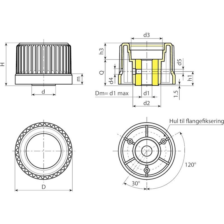
RIFLET KRAVE MED BØSNING MED GLAT HUL
N246
Manicotti zigrinati
Description
Manicotto dalla amplia zigrinatura adatto ad essere impugnato a mano piena, per spostare, comandare e regolari assi di macchinari con precisione. La larga zigrinatura permette una ottima impugnabilità sia con guanto che senza. Avvolgendo tutto il palmo della mano se necessita imprimere forza, oppure solo con le dita per spostamenti piccoli e precisi. Predisposto per essere collegato, con tre viti, al suo naturale accessorio come la flangia numerata (NFLAN). Tale flangia può essere nera o grigia e ha diverse gradazioni di numerazione oppure un solo una tacca di riferimento. Progettati per sostiuire quelli più costosi in metallo ed alluminio. Il foro dell’inserto ha un piccolo diametro pilota, ma BOTECO è in grado, anche su piccoli lotti , di personalizzare tale foro e adeguarlo alle esigenze del cliente. A chiusura di tale foro troviamo un comodo tappo asportabile, disponibile di diversi colori e facile da personalizzare mediante tampografia. Prodotto adatto per macchine utensili manuali, trapani, foratrici, macchine per imballaggio, seghe e seghetti, macchine per confezionamento, attrezzature alimentari. Il manicotto zigrinato N246 è fatto con materiali a base di poliammide rinforzata con additivi stabilizzanti, per garantire una ottima planarità e circolarità. Questo modello è una versione base, ma può essere richiesto in diverse varianti come il manicotto con blocco, il manicotto a scatto , manicotto a variazione continua, ecc.).
Materialer:
Forstærket polyamid.
Olie- og fedtbestandig.
Overflade:
Satineret.
Farve:
Sort (RAL 9011).
Prop:
Central prop af grå polyamid (RAL 7035).
Indsatser:
Bøsning med gennemgående glat hul af forzinket stål (hultolerance H10).
OBS:
(*) NFLAN ringens sidefastspænding (tilbehør).
Andre muligheder:
På forespørgsel og i funktion af antal kan indsatsene leveres med en d1-åbning efter tegning.
På forespørgsel og i funktion af antal kan indsatsene leveres i andre materialer/med anden beklædning.
Farver på forespørgsel og i funktion af antal (bemærk, begrænset udvalg) iht. farvetabel.
Video:







Kode | Art. | D | H | m | d | d2 | d3 | d4 | d5 | h1 | h3 | Dm | d1 H10 | Q | Weight (g) |
---|---|---|---|---|---|---|---|---|---|---|---|---|---|---|---|
N24630.0001 | N24630.TD060113(*) | 30 | 31,5 | 11,5 | 20 | - | 18 | 4,5 | M4 | 16 | 5,5 | 12 | 6 | 26 | 74 |
N24630.0005 | N24630.TD080113(*) | 30 | 31,5 | 11,5 | 20 | - | 18 | 5,5 | M5 | 16 | 5,5 | 12 | 8 | 26 | 70 |
N24643.0004 | N24643.TD080113 | 43 | 37,5 | 11,5 | 22 | 27,5 | 23 | 5,5 | M5 | 16 | 13,5 | 12 | 8 | 24 | 89 |
N24654.0001 | N24654.TD080113 | 54 | 43,5 | 12 | 26 | 32 | 31 | 5,5 | M5 | 16 | 13,5 | 14 | 8 | 30 | 180 |
N24654.0005 | N24654.TD120113 | 54 | 43,5 | 12 | 26 | 32 | 31 | 6,5 | M6 | 16 | 13,5 | 14 | 12 | 30 | 140 |
N24665.0001 | N24665.TD080113 | 65 | 48,5 | 12 | 27 | 32 | 36 | 5,5 | M5 | 16 | 18,5 | 16 | 8 | 30 | 180 |
N24665.0007 | N24665.TD120113 | 65 | 48,5 | 12 | 27 | 32 | 36 | 6,5 | M6 | 16 | 18,5 | 16 | 12 | 30 | 165 |
N24665.0009 | N24665.TD140113 | 65 | 48,5 | 12 | 27 | 32 | 36 | 6,5 | M6 | 16 | 18,5 | 16 | 14 | 30 | 156 |
N24678.0002 | N24678.TD080113 | 78 | 55,5 | 12,5 | 31 | 36 | 50 | 6,5 | M6 | 18 | 23,5 | 18 | 8 | 32 | 260 |